![]()
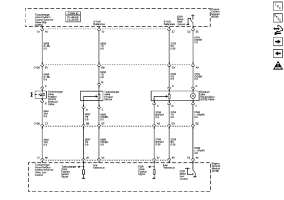
Engine Data Sensors– 5-Volt and Low Reference![]()
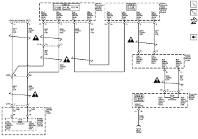
Engine Data Sensors– EGR and Turbocharger Controls![]()
Engine Data Sensors– Glow Plug Controls![]()
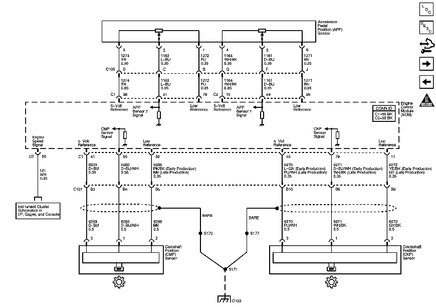
Engine Data Sensors– Pedal Position and Injection Timing![]()
Engine Data Sensors– Pressure, Temperature, MAF, and VSS![]()
Fuel Controls– Fuel Injectors![]()
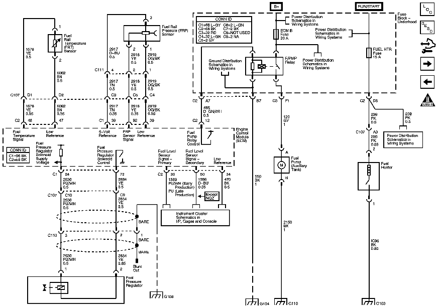
Fuel Controls– Fuel Pump, Temperature, and Pressure Controls![]()
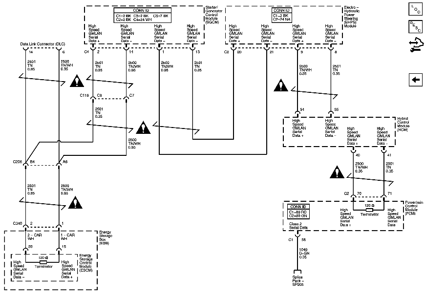
High Speed GM LAN (HP2)![]()
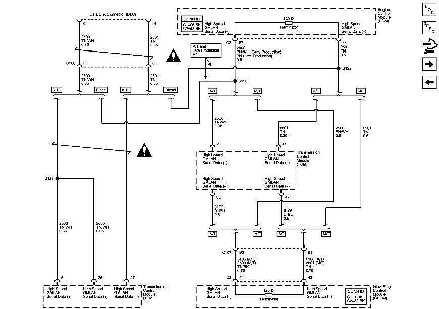
High Speed GM LAN Serial Data 8.1L and Diesel![]()
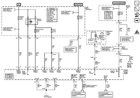
Module Power, Ground, Serial Data, and MIL![]()
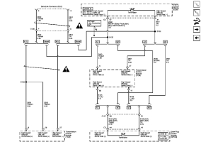
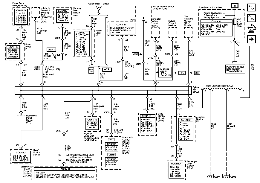
Power, Ground, DLC, and Splice Pack SP205![]()
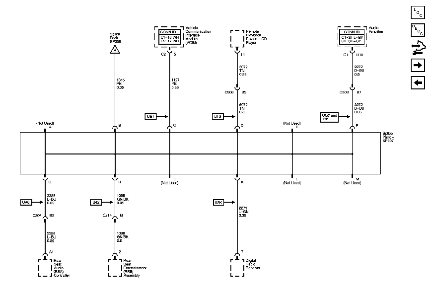
Splice Pack SP207![]()
Module power, grounds, serial data and mil













