Auto Electronics 101
  • Home
  • FORUM
  • Shopping Cart
  • Support

Login Form

  • Forgot your password?
  • Forgot your username?
  • Create an account

Main Menu

  • Automotive Repair Help
  • Electronics Repair Help
  • Locksmith Repair Help
  • Misc. Educational Material
  • Bench, Boot & In-Circuit Pinouts
  • Benchtop Power-up Pinouts
  • BIN File Decoding
  • Circuit Schematics
  • YouTube Public Playlists
  • Wiring Diagrams
    • Acura, Honda
    • Chrysler, Dodge, Jeep
    • Ford, Lincoln, Mercury
    • General Motors
    • Infiniti, Nissan, Subaru
    • Large Trucks
    • Mazda, Mazda USA
    • Mitsubishi

Web Shop

  • Electrical Components
  • J2534 Calibration Files
  • KESS Recovery Files
  • Memory Dumps
  • VMWare (Premade VMS)
  • PC Apps & Docs
  • Tools & Supplies

  1. You are here:  
  2. Wiring Diagrams
  3. Chrysler, Dodge, Jeep
  4. Dodge Ram 2005 wiring diagrams

Dodge Ram 2005 wiring diagrams

Parent Category: Wiring Diagrams
Category: Chrysler, Dodge, Jeep
  • wiring
  • diagrams
  • dodge
  • ram
  • stellantis

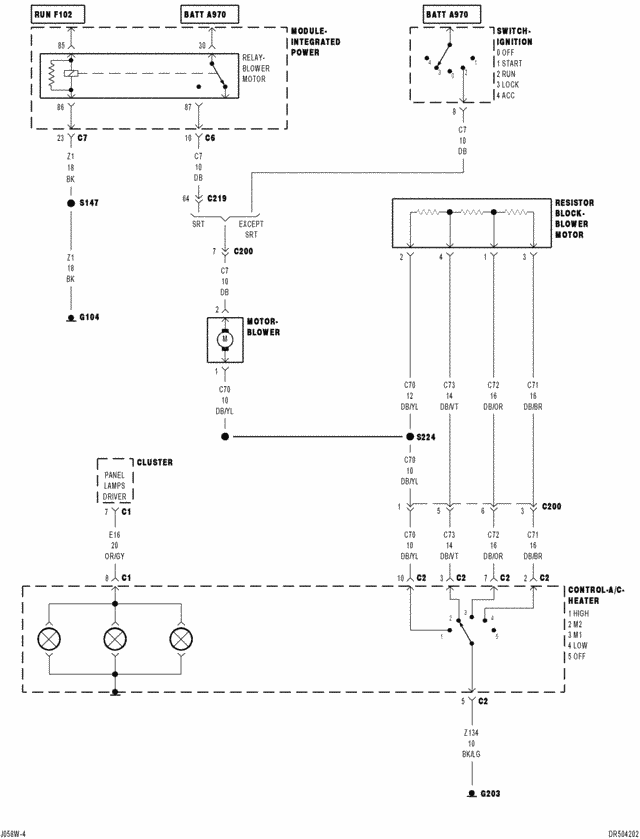
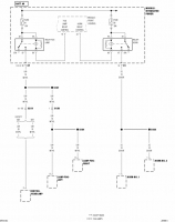
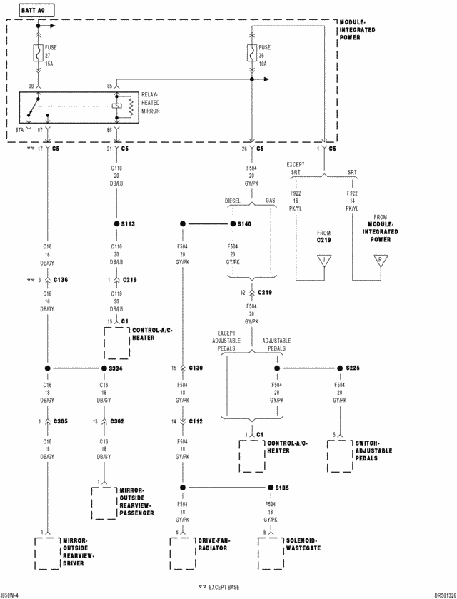
Ac 1
Ac 2
Ac 5
Ac 6 (gas)
Ac 7 (diesel)
Ac 8 (ngc)
All wheel antilock brakes 1
All wheel antilock brakes 2
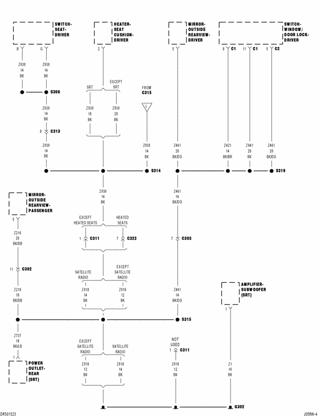
Audio 1
Audio 3 (premium except hands free)
Audio 4 (premium)
Audio 7 (hands free)
Audio 9 (subs)
Bus coms 1 (gas)
Bus coms 2 (gas)
Bus coms 3 (diesel)
Bus coms 4
Bus coms 5
Charging 1 (gas)
Charging 2 (diesel)
Convenience 2
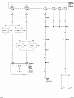
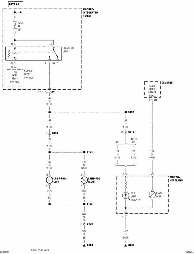
Front lighting 1
Front lighting 2
Front lighting 3
Front lighting 4 (except base)
Front lighting 5
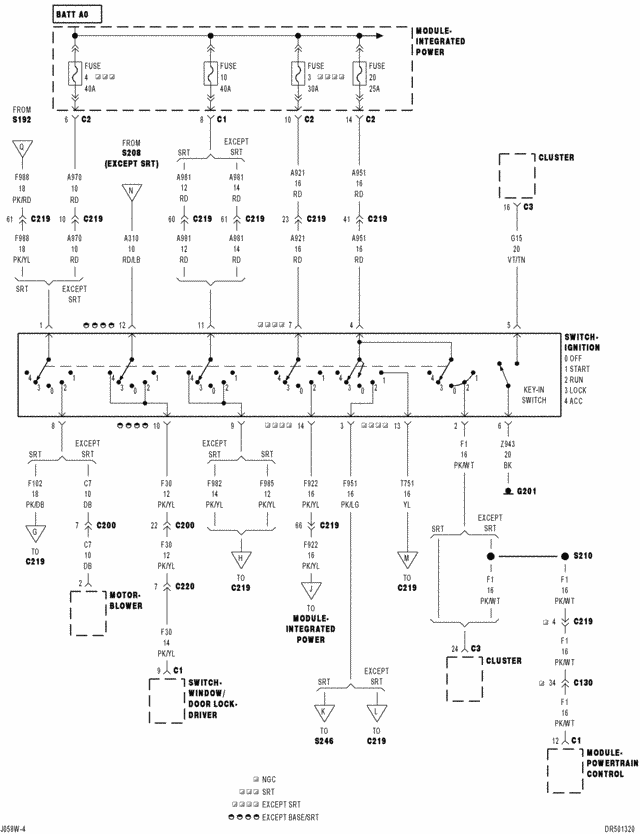
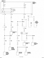
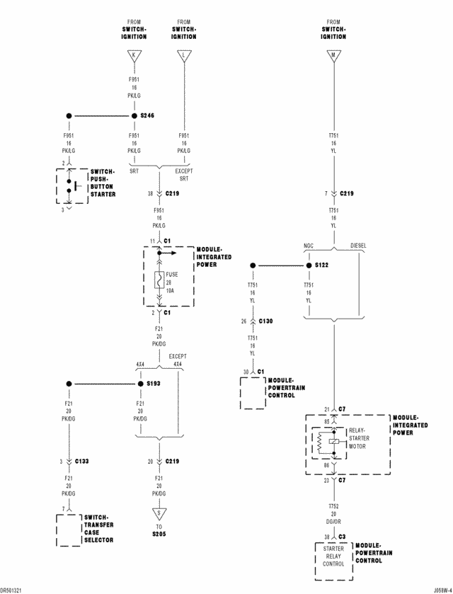
Fuel, ignition 1 (gas)
Fuel, ignition 13 (gas)
Fuel, ignition 2 (gas)
Fuel, ignition 24 (srt)
Fuel, ignition 28 (diesel)
Fuel, ignition 29 (diesel)
Fuel, ignition 3 (gas)
Fuel, ignition 30 (diesel)
Fuel, ignition 31 (diesel)
Fuel, ignition 32 (diesel)
Fuel, ignition 33 (diesel)
Fuel, ignition 34 (diesel)
Fuel, ignition 35 (diesel)
Fuel, ignition 36 (diesel)
Fuel, ignition 37 (diesel)
Fuel, ignition 38 (diesel)
Fuel, ignition 39 (diesel)
Fuel, ignition 4 (gas)
Fuel, ignition 40 (diesel)
Fuel, ignition 41 (diesel)
Fuel, ignition 42 (diesel AT)
Fuel, ignition 43 (diesel AT)
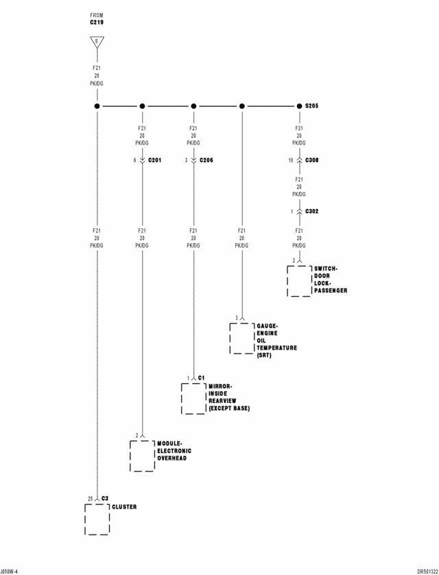
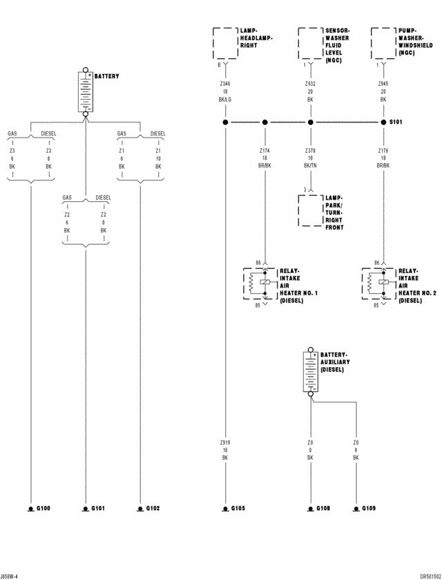
Grounds 1
Grounds 11 (awal)
Grounds 15 (diesel)
Grounds 16
Grounds 17
Grounds 18
Grounds 19
Grounds 2
Grounds 20
Grounds 22
Grounds 23
Grounds 24
Grounds 3
Grounds 4 (rwal)
Grounds 5 (rwal)
Grounds 6 (awal)
Grounds 7 (awal)
Grounds 8 (awal)
Grounds 9 (rwal)
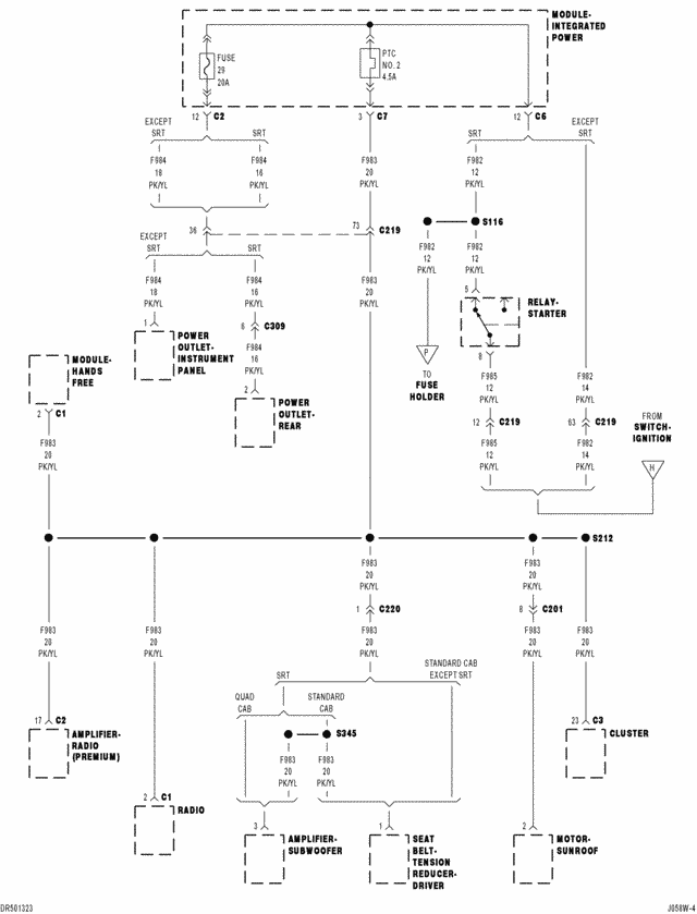
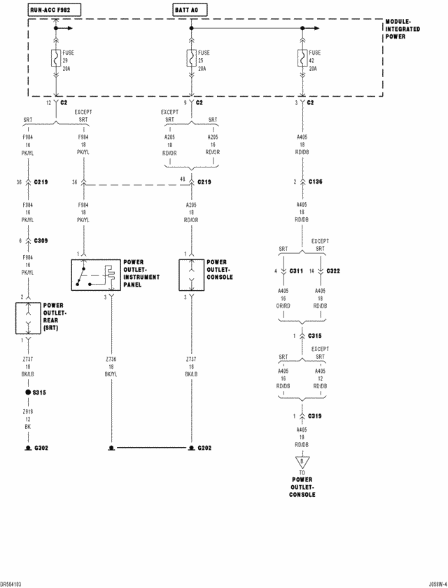
Horn, power outlets 1
Horn, power outlets 2
Horn, power outlets 3
Ic 1
Ic 10 (srt)
Ic 2
Ic 3
Ic 4
Ic 5 (except base)
Ic 6 (except base)
Ic 7 (except base)
Ic 8
Ic 9
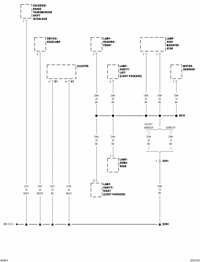
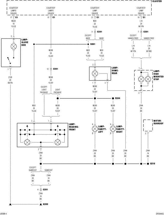
Interior lighting 1 (except srt)
Interior lighting 2 (srt)
Interior lighting 3
Interior lighting 4
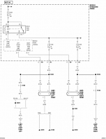
Ipm 1 (top view)
Ipm 10
Ipm 11
Ipm 12
Ipm 13
Ipm 14
Ipm 15 (srt)
Ipm 16
Ipm 17 (ngc)
Ipm 18 (srt)
Ipm 19 (diesel)
Ipm 2 (bottom view)
Ipm 20
Ipm 21
Ipm 22
Ipm 23
Ipm 24 (ngc)
Ipm 25 (except srt)
Ipm 26
Ipm 27
Ipm 28
Ipm 29
Ipm 3
Ipm 30
Ipm 31
Ipm 32
Ipm 33
Ipm 34
Ipm 35
Ipm 36
Ipm 37
Ipm 4
Ipm 5 (gas)
Nav,tele 1 (hands free)
Nav,tele 2 (hands free)
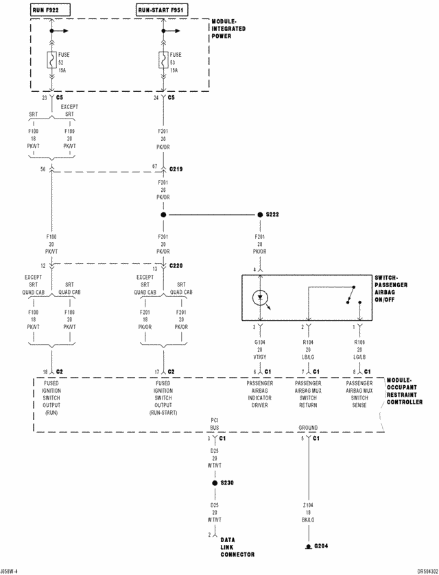
Orc 1
Orc 3 (side airbags)
Overhead console 1
Overhead console 2
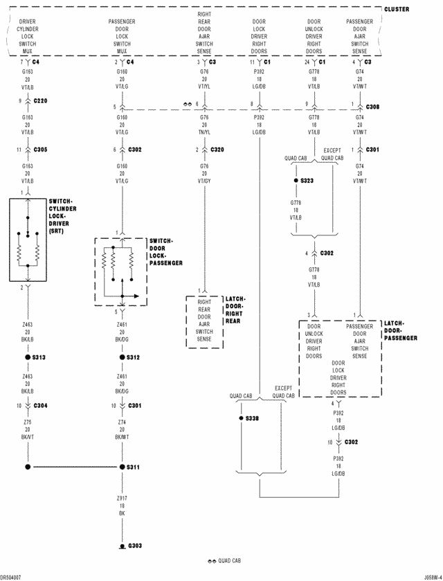
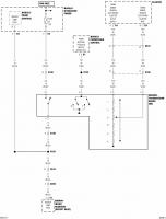
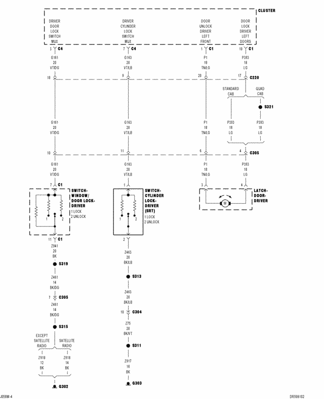
Power door locks 1
Power door locks 2
Power mirors 1
Power mirors 2
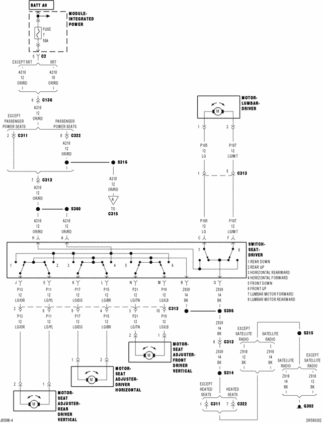
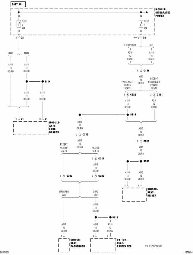
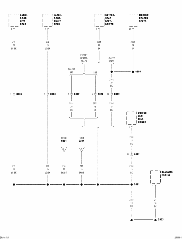
Power seats 1
Power seats 5 (heated seats)
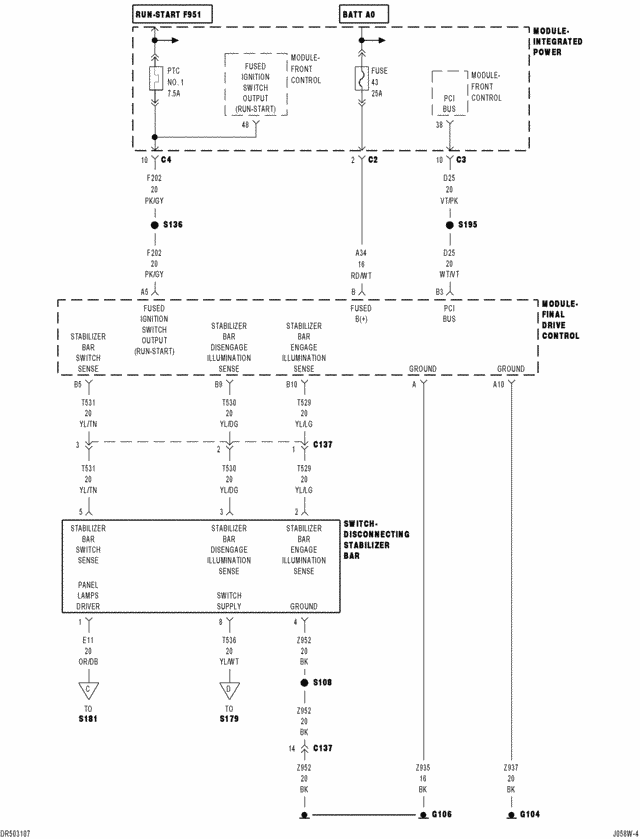
Power sunroof 1 (quad cab)
Power windows 1
Power windows 2
Power windows 3 (quad)
Power windows 4 (quad)
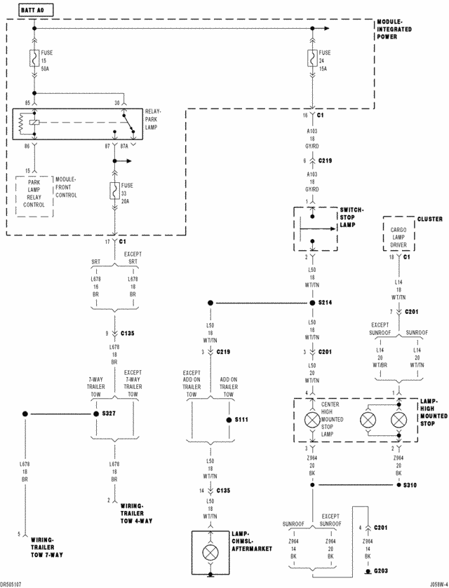
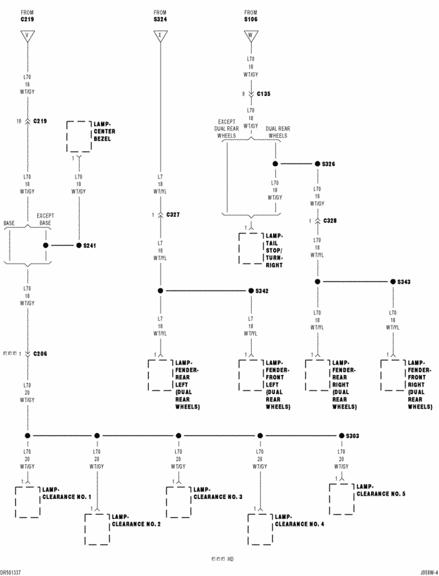
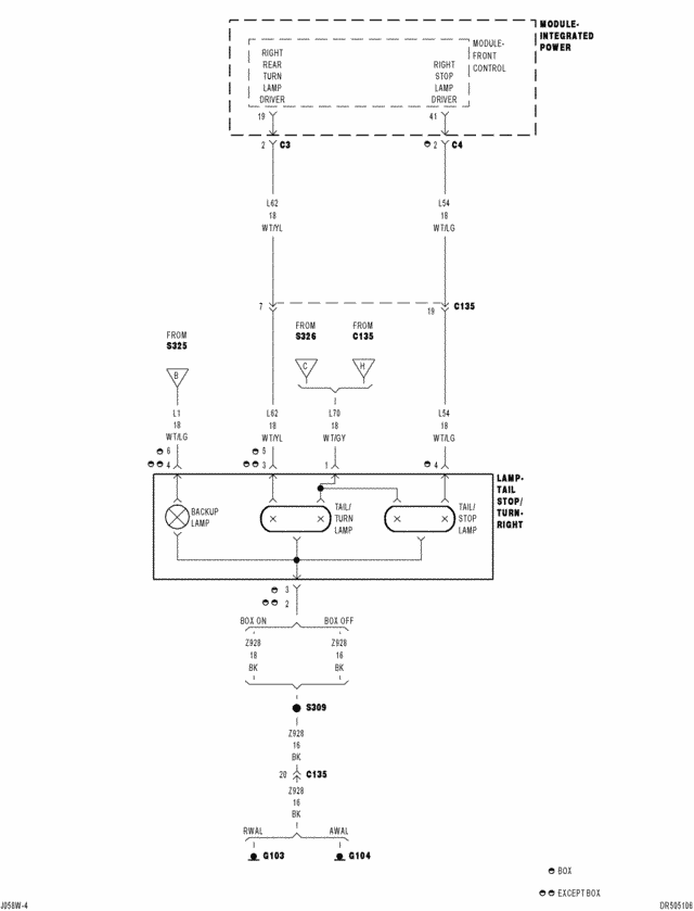
Rear lighting 1
Rear lighting 2
Rear lighting 3
Rear lighting 4
Rear lighting 5
Rear lighting 6
Rear wheel antilock brakes 1 (ngc)
Rear window defogger 1
Splices 10 (ngc)
Splices 11 (diesel)
Splices 4 (diesel)
Splices 5
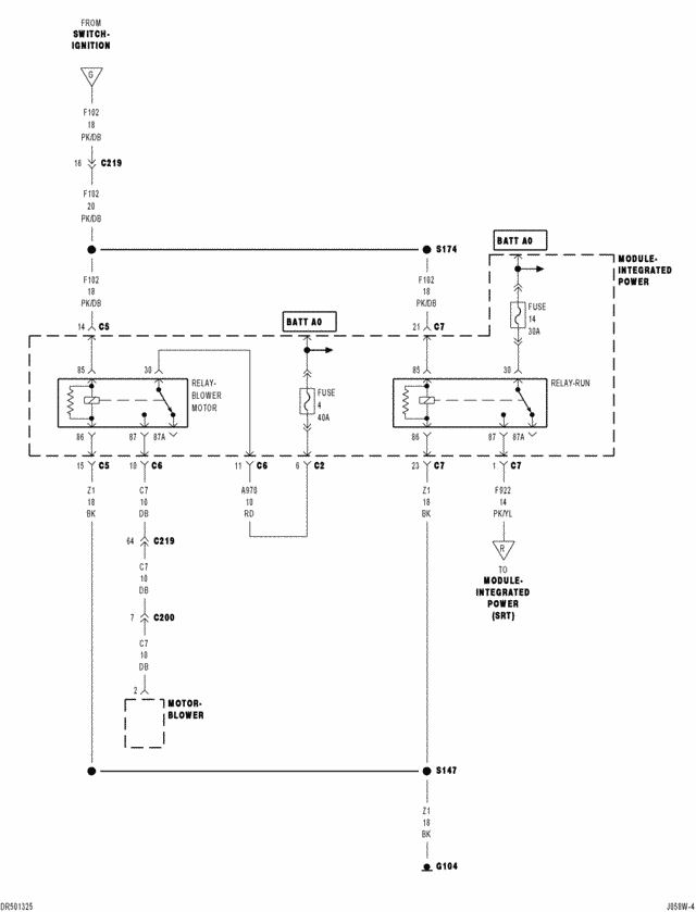
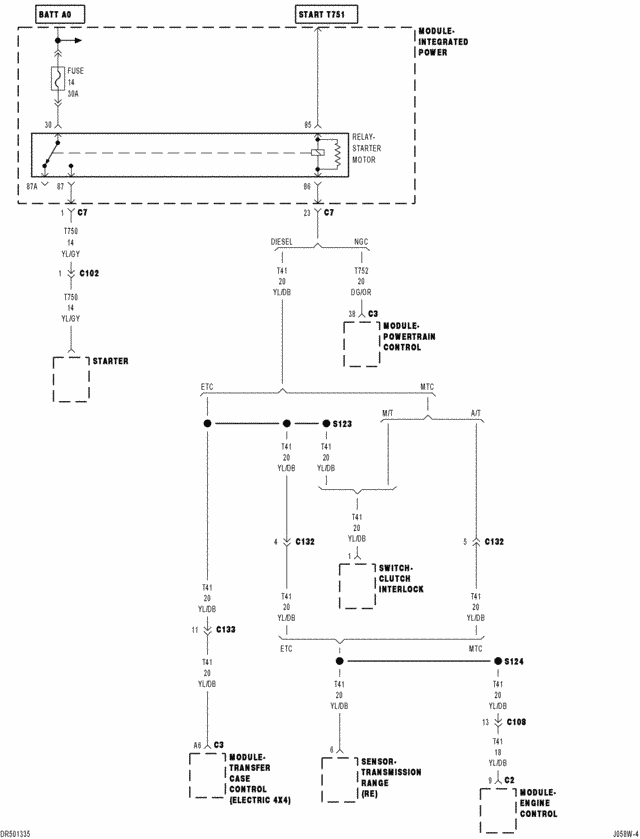
Starting 1 (gas except srt)
Starting 2 (srt)
Starting 3 (diesel)
Starting 4 (diesel)
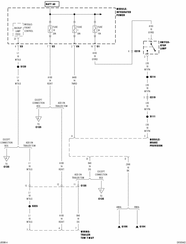
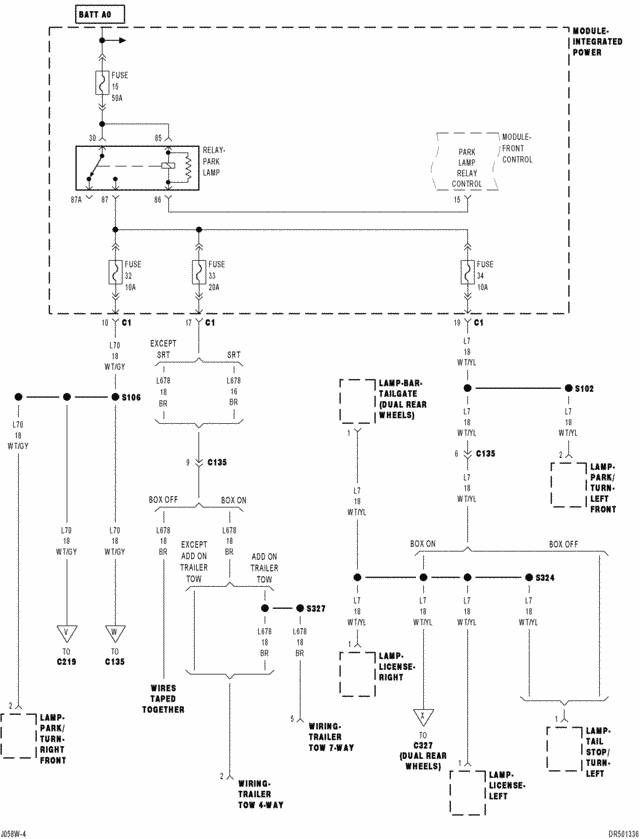
Trailer tow 1
Trailer tow 2 (except box)
Trailer tow 3 (except add on)
Trailer tow 4 (add on)
Trailer tow 6 (5.7L HD)
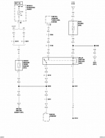
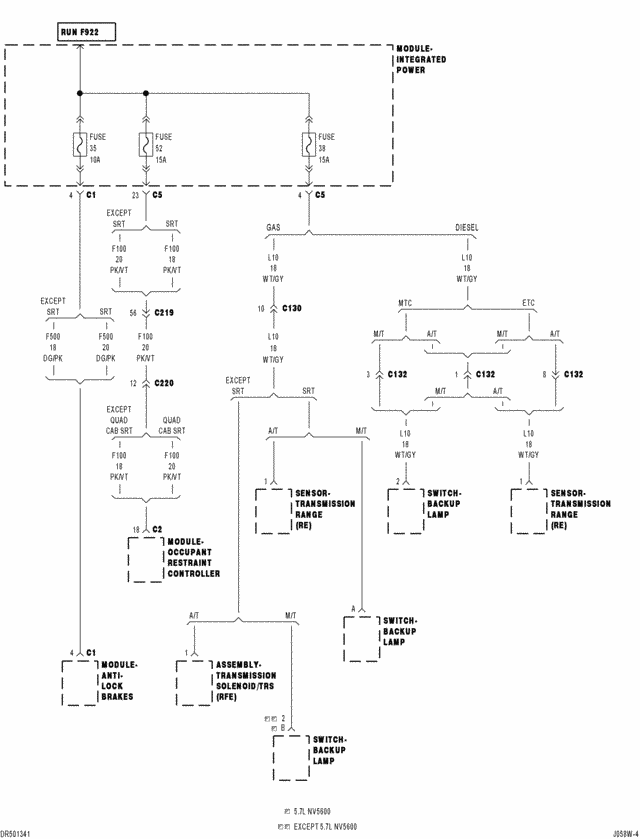
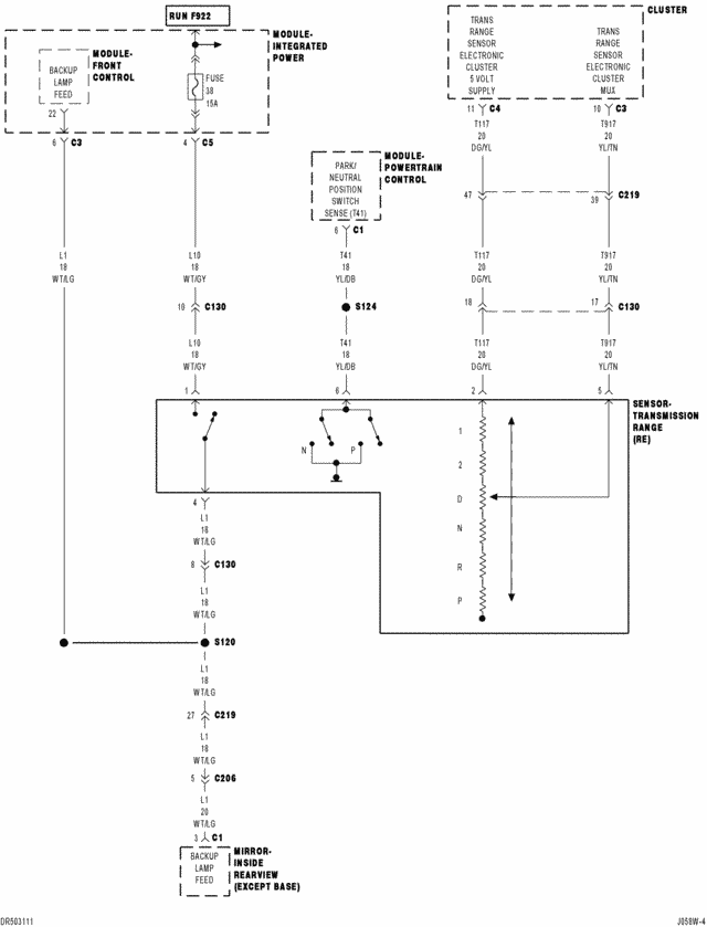
Trans control 1 (ngc)
Trans control 10 (srt)
Trans control 11 (diesel)
Trans control 12 (diesel)
Trans control 13 (diesel)
Trans control 14 (electric transfer case)
Trans control 15 (electric transfer case)
Trans control 16 (3.7L)(electric transfer case)
Trans control 16 (except 3.7L)(electric transfer case)
Trans control 18
Trans control 9 (srt)
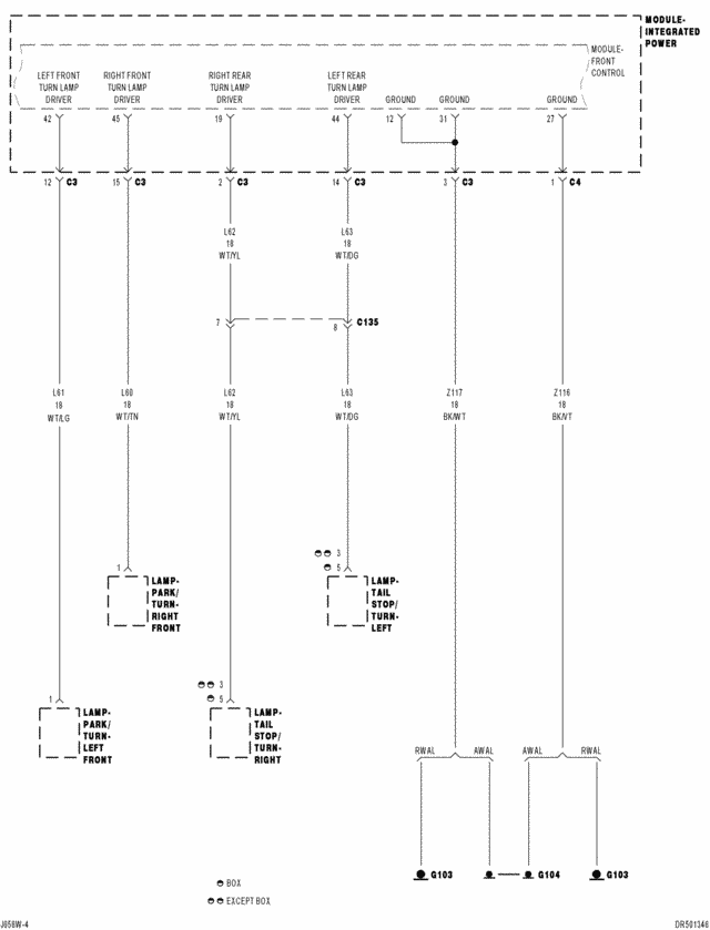
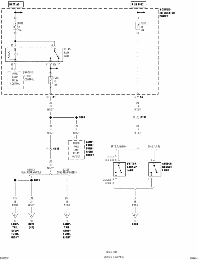
Turn signals 1
Turn signals 2
Turn signals 3
Turn signals 4
Turn signals 5
Vehicle security 1
Vehicle security 2
Vehicle security 4
Vehicle speed control 1
Vehicle speed control 2
Vehicle speed control 3 (gas)
Vehicle speed control 6
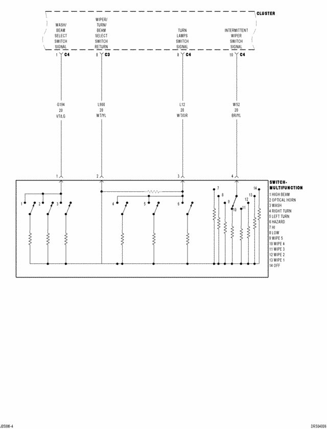
Wipers 1
Wipers 2
Wipers 3