Auto Electronics 101
  • Home
  • FORUM
  • Shopping Cart
  • Support

Login Form

  • Forgot your password?
  • Forgot your username?
  • Create an account

Main Menu

  • Automotive Repair Help
  • Electronics Repair Help
  • Locksmith Repair Help
  • Misc. Educational Material
  • Bench, Boot & In-Circuit Pinouts
  • Benchtop Power-up Pinouts
  • BIN File Decoding
  • Circuit Schematics
  • YouTube Public Playlists
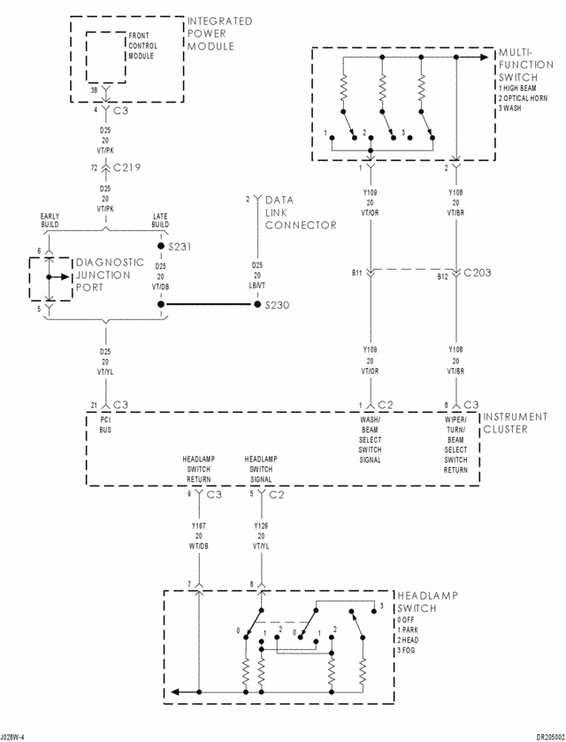
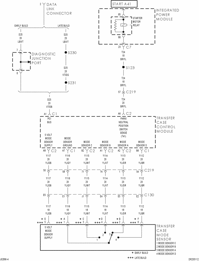
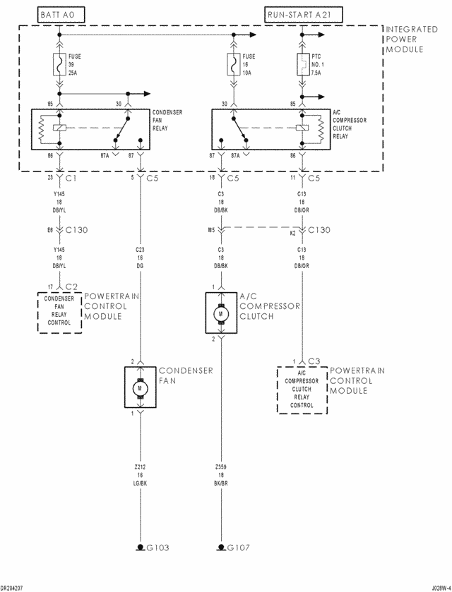
  • Wiring Diagrams
    • Acura, Honda
    • Chrysler, Dodge, Jeep
    • Ford, Lincoln, Mercury
    • General Motors
    • Infiniti, Nissan, Subaru
    • Large Trucks
    • Mazda, Mazda USA
    • Mitsubishi

Web Shop

  • Electrical Components
  • J2534 Calibration Files
  • KESS Recovery Files
  • Memory Dumps
  • VMWare (Premade VMS)
  • PC Apps & Docs
  • Tools & Supplies

  1. You are here:  
  2. Wiring Diagrams
  3. Chrysler, Dodge, Jeep
  4. Dodge Ram 2002 wiring diagrams

Dodge Ram 2002 wiring diagrams

Parent Category: Wiring Diagrams
Category: Chrysler, Dodge, Jeep
  • wiring
  • diagrams
  • dodge
  • ram
  • stellantis

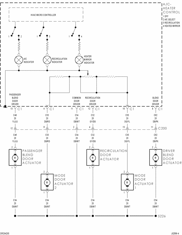
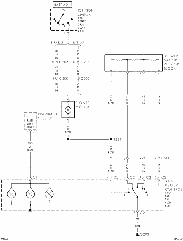
Ac 1
Ac 2 (heater only)
Ac 3
Ac 4 (dual zone)
Ac 5 (single zone)
Ac 6
Ac 7
Airbag 1
Airbag 2
Airbag 3 (side)
All wheel antilock brakes 1
All wheel antilock brakes 2
Audio 1
Audio 4 (premium)
Audio 6 (premium)
Bus coms 1
Bus coms 2 (early build)
Bus coms 3 (late build)
Bus coms 4 (late build)
Charging 1
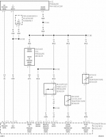
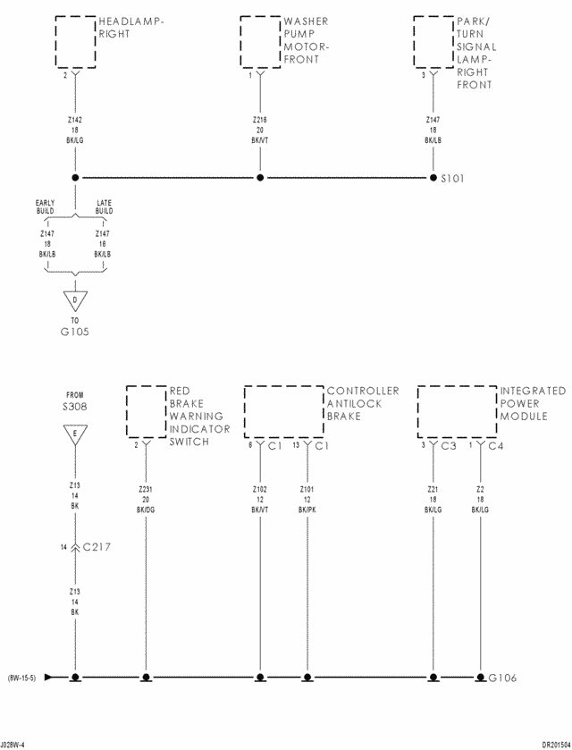
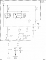
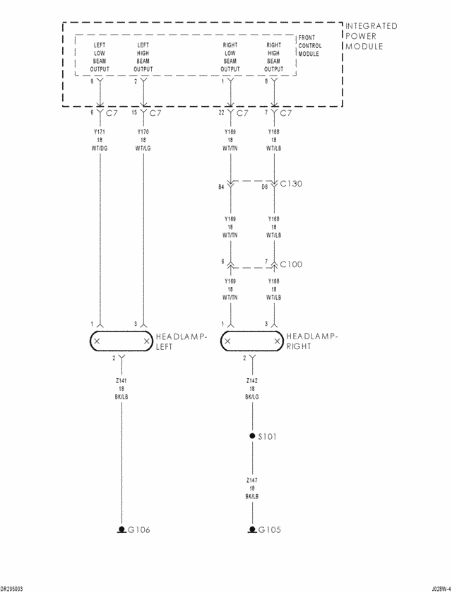
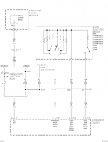
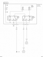
Front lighting 1
Front lighting 2
Front lighting 3
Front lighting 4 (except base)
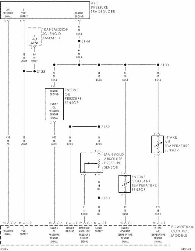
Fuel, ignition 1
Fuel, ignition 10 (3.7L)
Fuel, ignition 11 (4.7L,5.9L)(except california)
Fuel, ignition 12 (4.7L,5.9L)(except california)
Fuel, ignition 13 (4.7L,5.9L)(california)
Fuel, ignition 14
Fuel, ignition 15 (5.9L)
Fuel, ignition 16 (3.7L,4.7L)
Fuel, ignition 17
Fuel, ignition 18
Fuel, ignition 19
Fuel, ignition 2
Fuel, ignition 20
Fuel, ignition 21
Fuel, ignition 22 (5.9L)
Fuel, ignition 23
Fuel, ignition 24
Fuel, ignition 3
Fuel, ignition 4
Fuel, ignition 5 (3.7L,4.7L)
Fuel, ignition 6 (3.7L,4.7L)
Fuel, ignition 7 (3.7L,4.7L)
Fuel, ignition 8 (3.7L,4.7L)
Fuel, ignition 9 (5.9L)
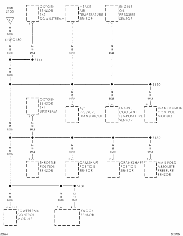
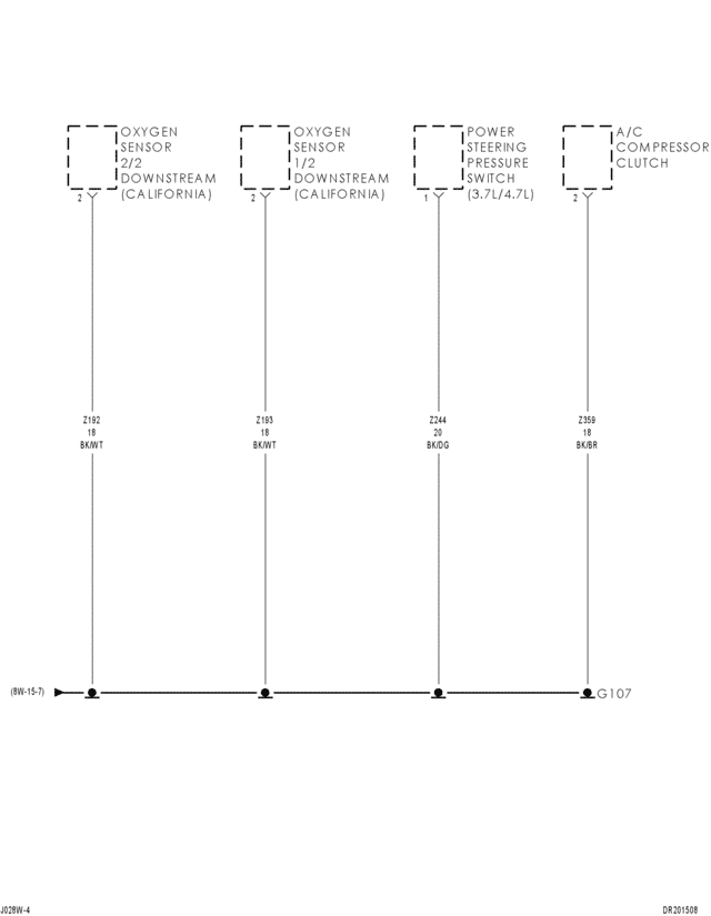
Grounds 1
Grounds 10
Grounds 11
Grounds 12
Grounds 13
Grounds 14
Grounds 15
Grounds 16 (except base)
Grounds 17 (except base)
Grounds 2
Grounds 3
Grounds 4
Grounds 5
Grounds 6
Grounds 7
Grounds 8
Grounds 9
Horn, power outlets 1
Horn, power outlets 3
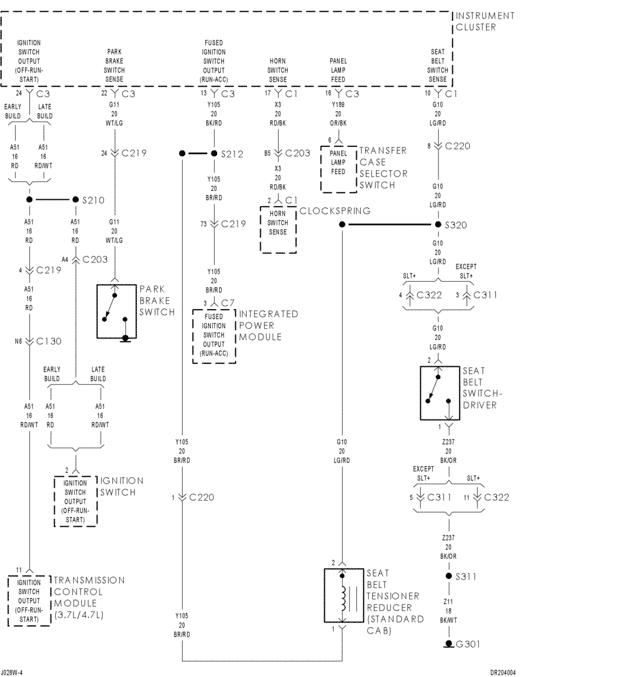
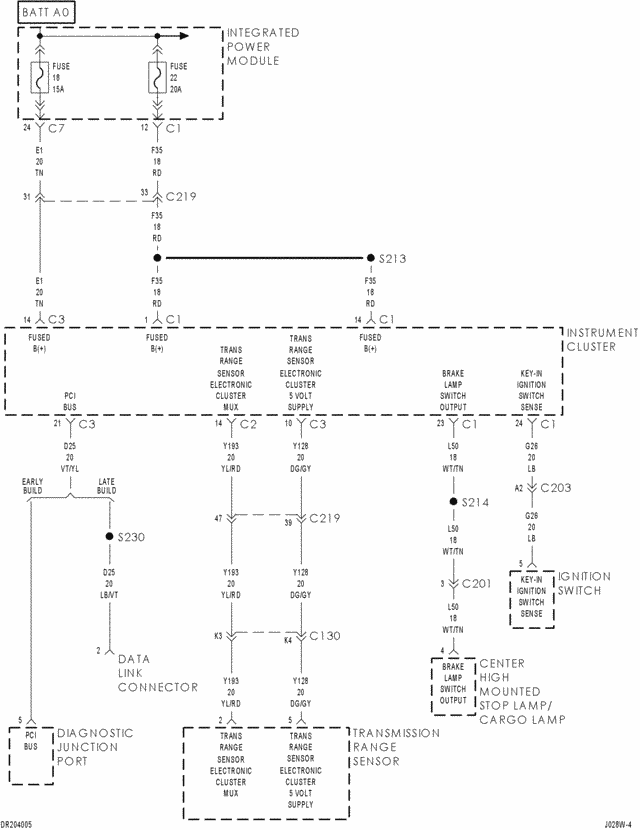
Ic 1
Ic 10 (base)
Ic 2
Ic 3
Ic 4
Ic 5 (no base)
Ic 6 (except base)
Ic 7 (except base)
Ic 8
Ic 9
Interior lighting 1 (early build)
Interior lighting 2 (late build)
Interior lighting 3
Interior lighting 4
Overead console 1
Overead console 2
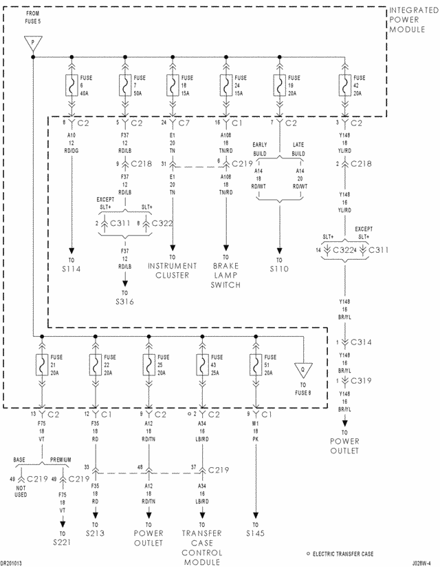
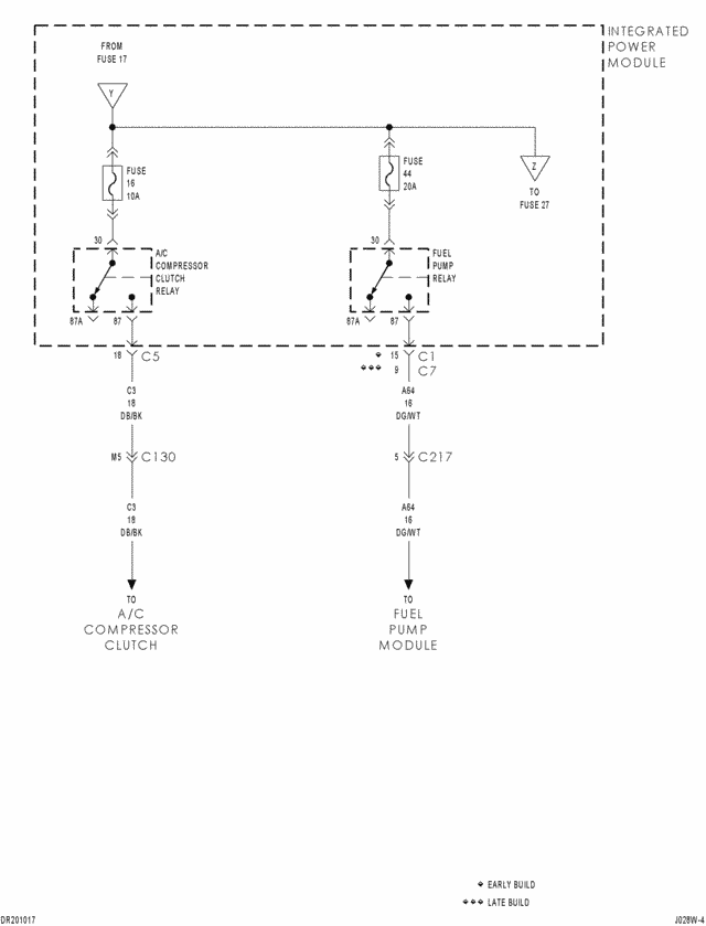
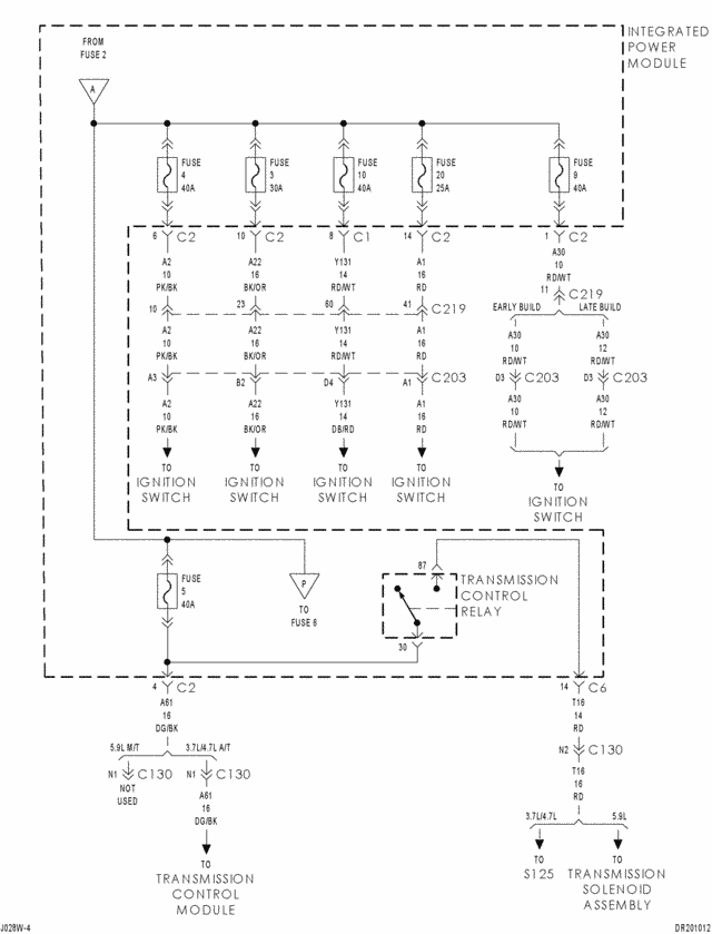
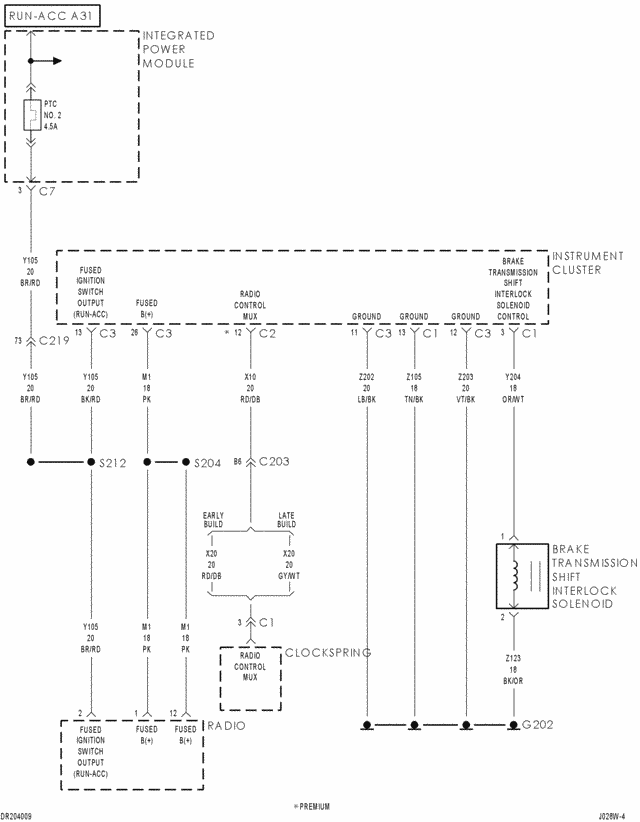
Power 1 (ipm top view)
Power 10
Power 11
Power 12
Power 13
Power 14
Power 15
Power 16
Power 17
Power 18
Power 19 (3.7L,4.7L)
Power 2 (ipm bottom view)
Power 20 (3.7L,4.7L)
Power 21 (5.9L)
Power 22 (except california)
Power 23 (california
Power 24
Power 25 (late build)
Power 26 (3.7L,4.7L AT)
Power 27 (5.9L)
Power 28
Power 29
Power 30
Power 31
Power 32
Power 33
Power 34
Power 35
Power 36
Power 37
Power 38
Power 39
Power 40
Power 41
Power 42
Power 43
Power 44
Power 45
Power 46
Power 47
Power 48
Power 49
Power 50
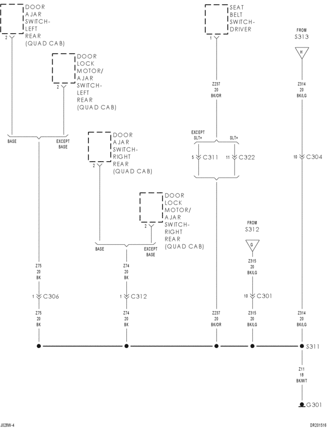
Power door locks 1
Power door locks 2 (standard cab)
Power door locks 3 (quad cab)
Power door locks 4 (quad cab)
Power mirrows 1
Power mirrows 2
Power seats 1
Power seats 4 (heated)
Power seats 5 (heated)
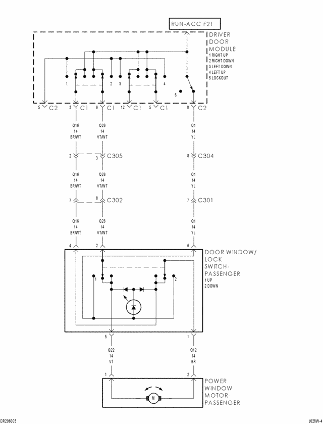
Power windows 1 (standard cab)
Power windows 2 (standard cab)
Power windows 3 (quad cab)
Power windows 4 (quad cab)
Power windows 5 (quad cab)
Power windows 6 (quad cab)
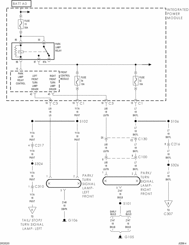
Rear lighting 1
Rear lighting 2 (earl build)
Rear lighting 3 (late build)
Rear lighting 4 (early build)
Rear lighting 5 (late build) - Copy
Rear lighting 5 (late build)
Rear lighting 6 (early build)
Rear lighting 7 (late build)
Rear lighting 8
Rear wheel antilock brakes 1
Rear wheel antilock brakes 2
Splices 1
Splices 2 (3.7L MT)
Splices 3 (3.7L AT)
Splices 4 (4.7L)
Splices 5 (5.9L)
Splices 6
Starting 1
Starting 2
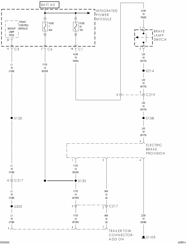
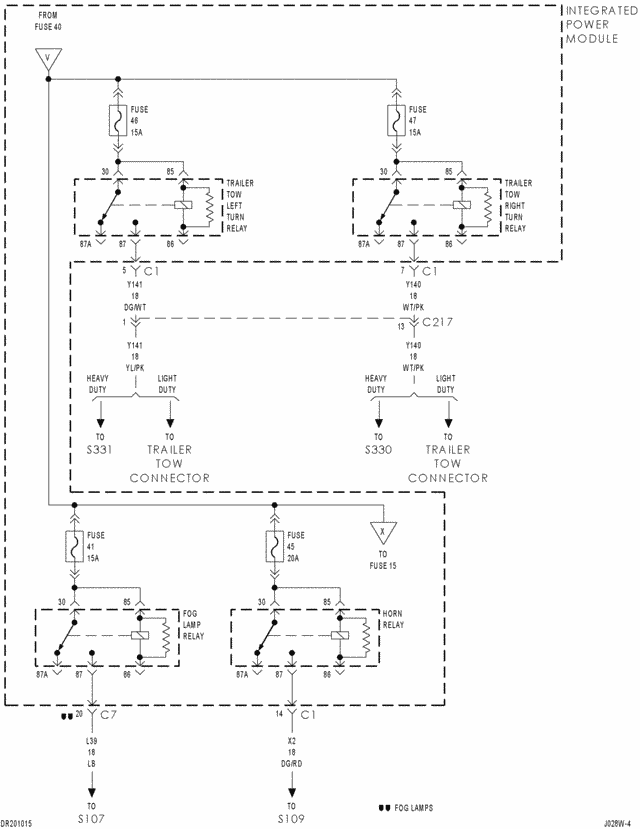
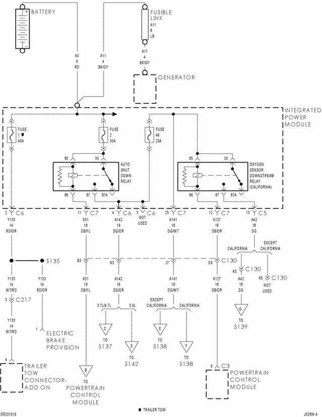
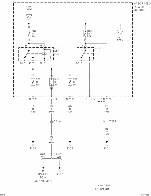
Trailer tow 1 (heavy duty)
Trailer tow 2 (light duty)
Trailer tow 4
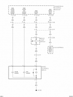
Trans control 1 (3.7L,4.7L)
Trans control 10 (electric 4x4)
Trans control 11 (5.9L)
Trans control 12 (5.9L)
Trans control 13 (4.7L,5.9L)
Trans control 14
Trans control 2 (3.7L,4.7L)
Trans control 3 (3.7L,4.7L)
Trans control 4 (3.7L,4.7L)
Trans control 5 (3.7L,4.7L)
Trans control 6 (3.7L,4.7L)
Trans control 7 (3.7L,4.7L)
Trans control 8 (5.9L)
Trans control 9 (electric 4x4)
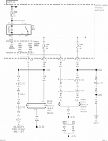
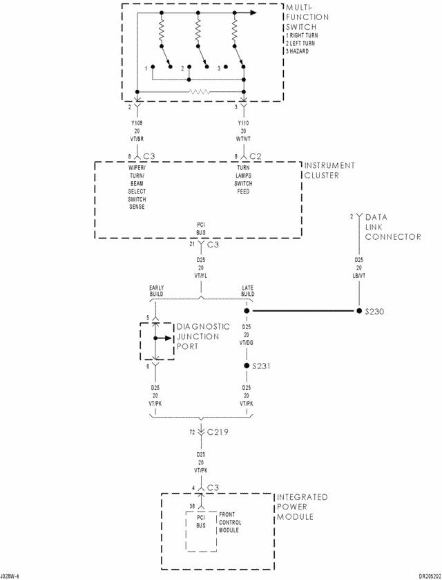
Turn signals 1
Turn signals 2
Turn signals 3
Turn signals 4
Turn signals 5
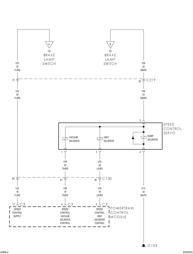
Vehicle speed control 1
Vehicle speed control 3
Vehicle speed control 4
Vehicle theft 1 (early build)
Vehicle theft 2 (late build)
Vehicle theft 3
Vehicle theft 4
Vehicle theft 5
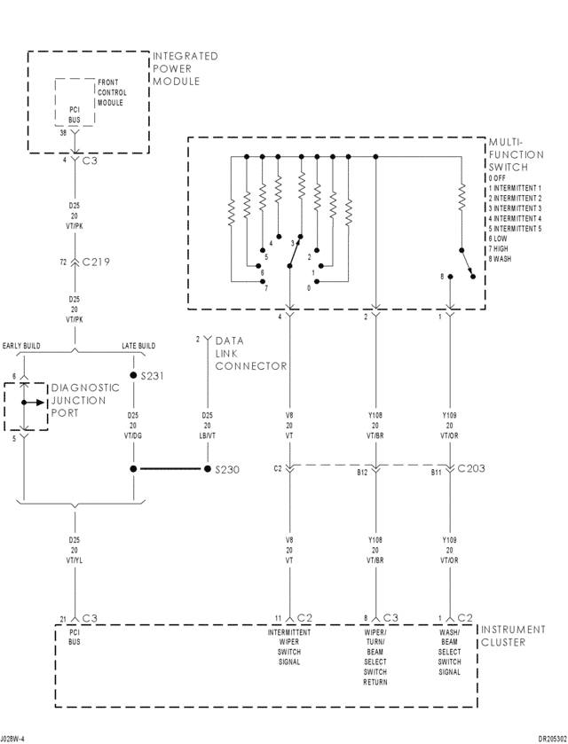
Wipers 1
Wipers 2
Wipers 3