Auto Electronics 101
  • Home
  • FORUM
  • Shopping Cart
  • Support

Login Form

  • Forgot your password?
  • Forgot your username?
  • Create an account

Main Menu

  • Automotive Repair Help
  • Electronics Repair Help
  • Locksmith Repair Help
  • Misc. Educational Material
  • Bench, Boot & In-Circuit Pinouts
  • Benchtop Power-up Pinouts
  • BIN File Decoding
  • Circuit Schematics
  • YouTube Public Playlists
  • Wiring Diagrams
    • Acura, Honda
    • Chrysler, Dodge, Jeep
    • Ford, Lincoln, Mercury
    • General Motors
    • Infiniti, Nissan, Subaru
    • Large Trucks
    • Mazda, Mazda USA
    • Mitsubishi

Web Shop

  • Electrical Components
  • J2534 Calibration Files
  • KESS Recovery Files
  • Memory Dumps
  • VMWare (Premade VMS)
  • PC Apps & Docs
  • Tools & Supplies

  1. You are here:  
  2. Wiring Diagrams
  3. Acura, Honda
  4. Honda Civic 2006 wiring diagrams

Honda Civic 2006 wiring diagrams

Parent Category: Wiring Diagrams
Category: Acura, Honda
  • wiring
  • schematics
  • diagrams
  • honda
  • civic

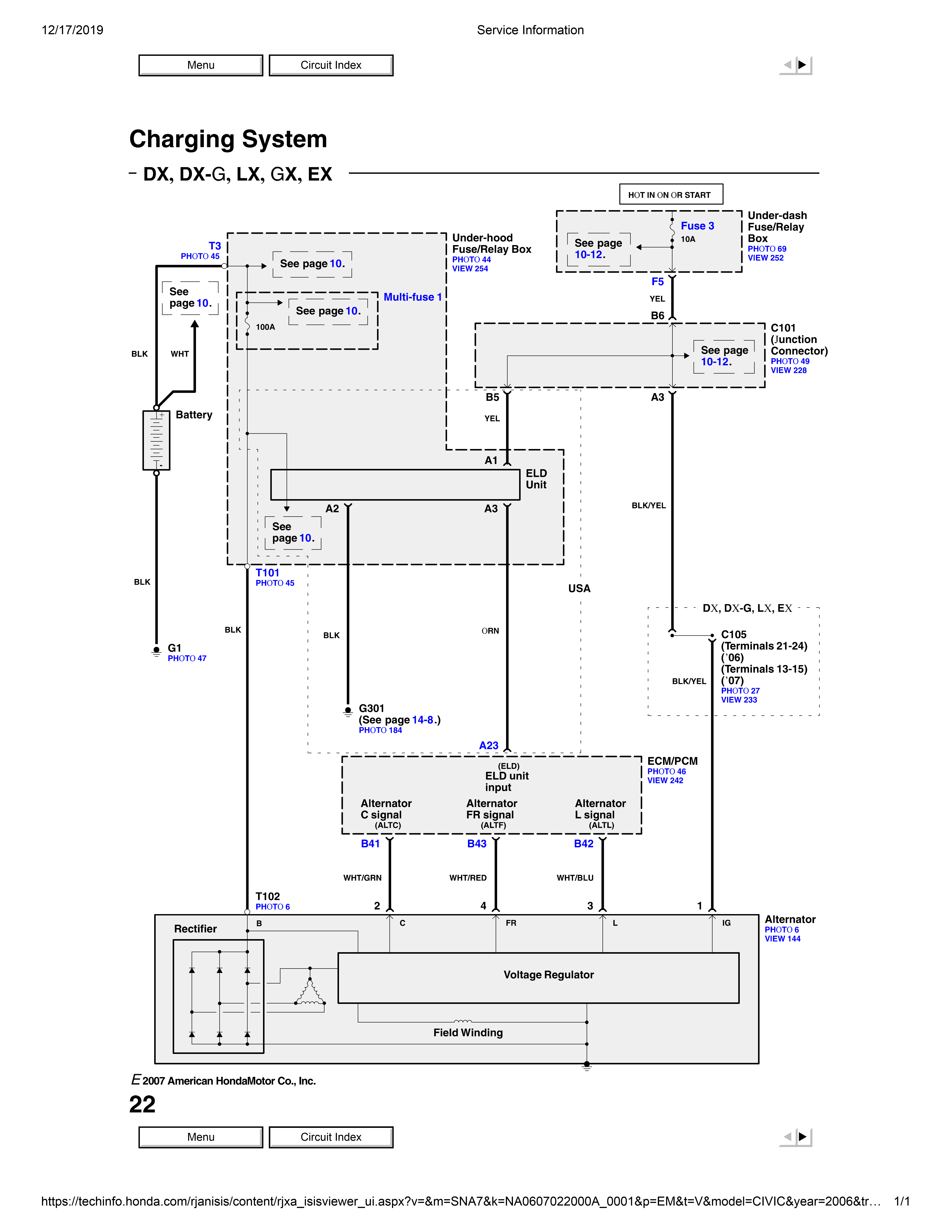
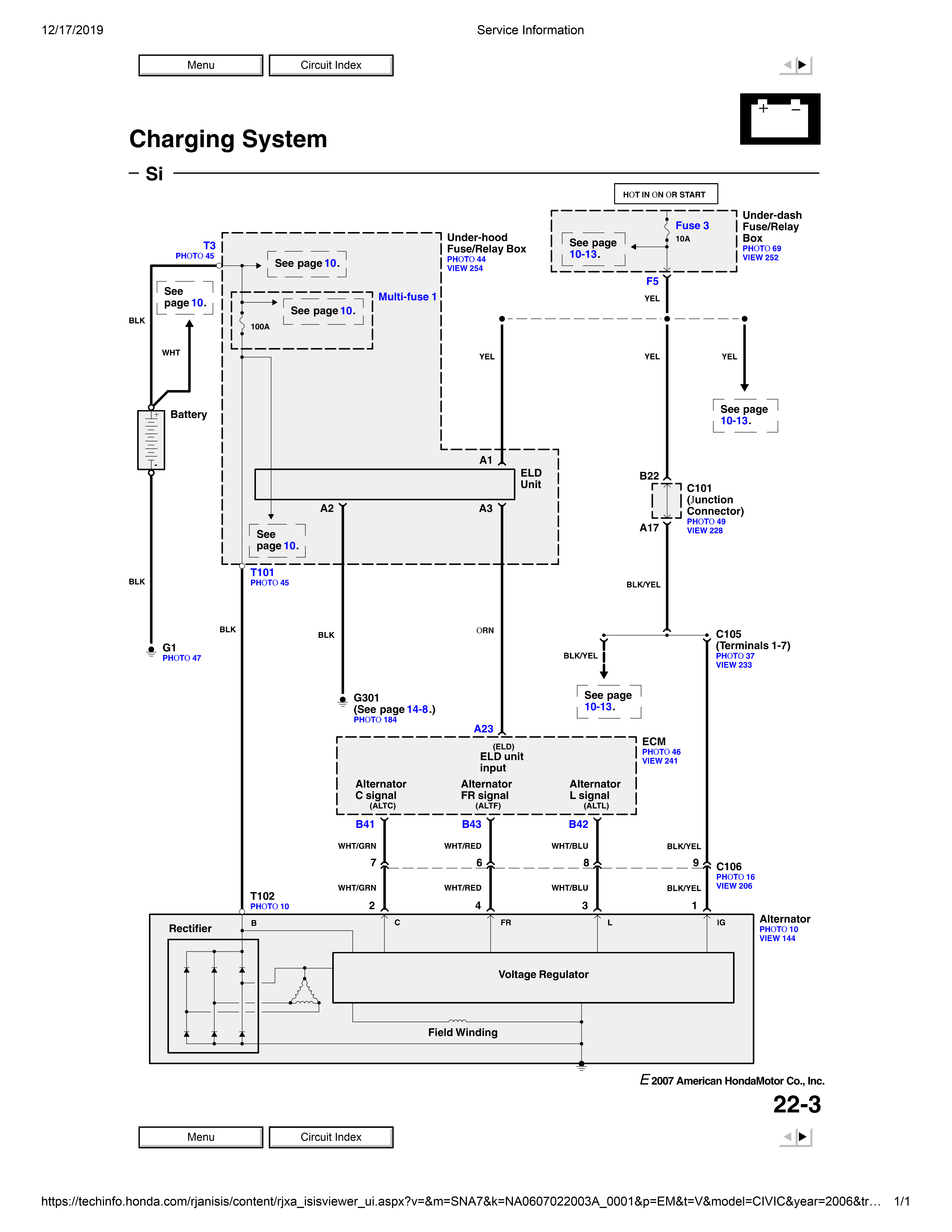
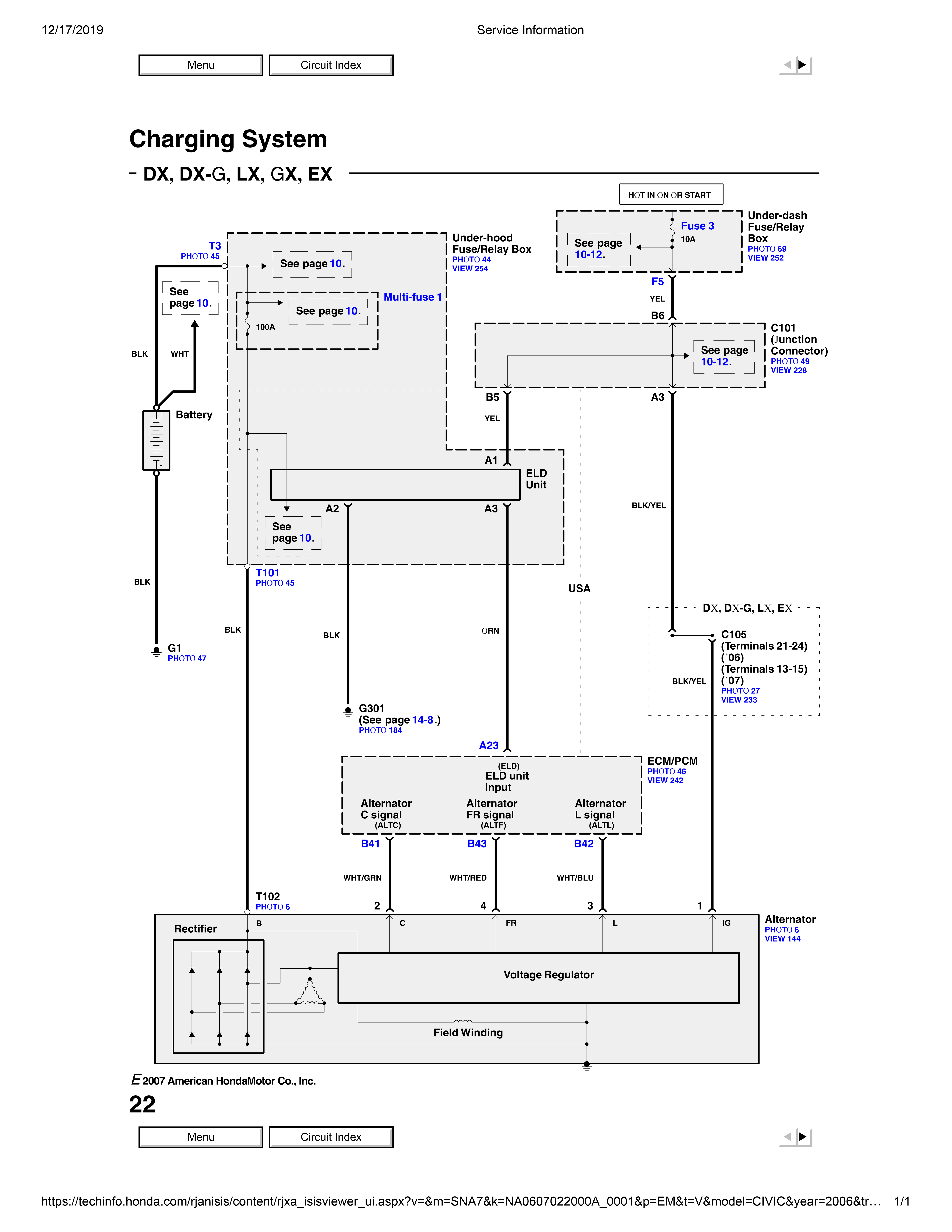
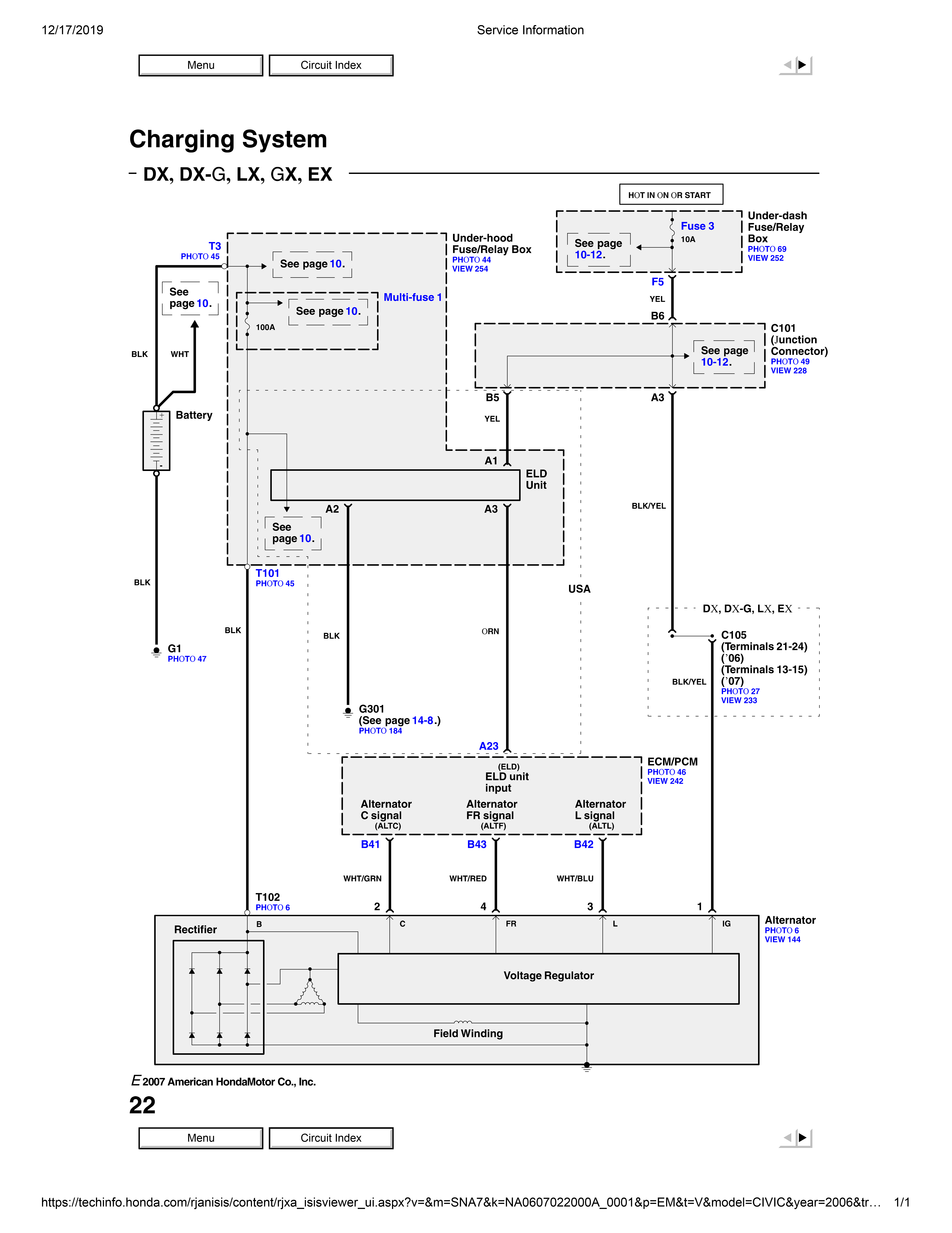
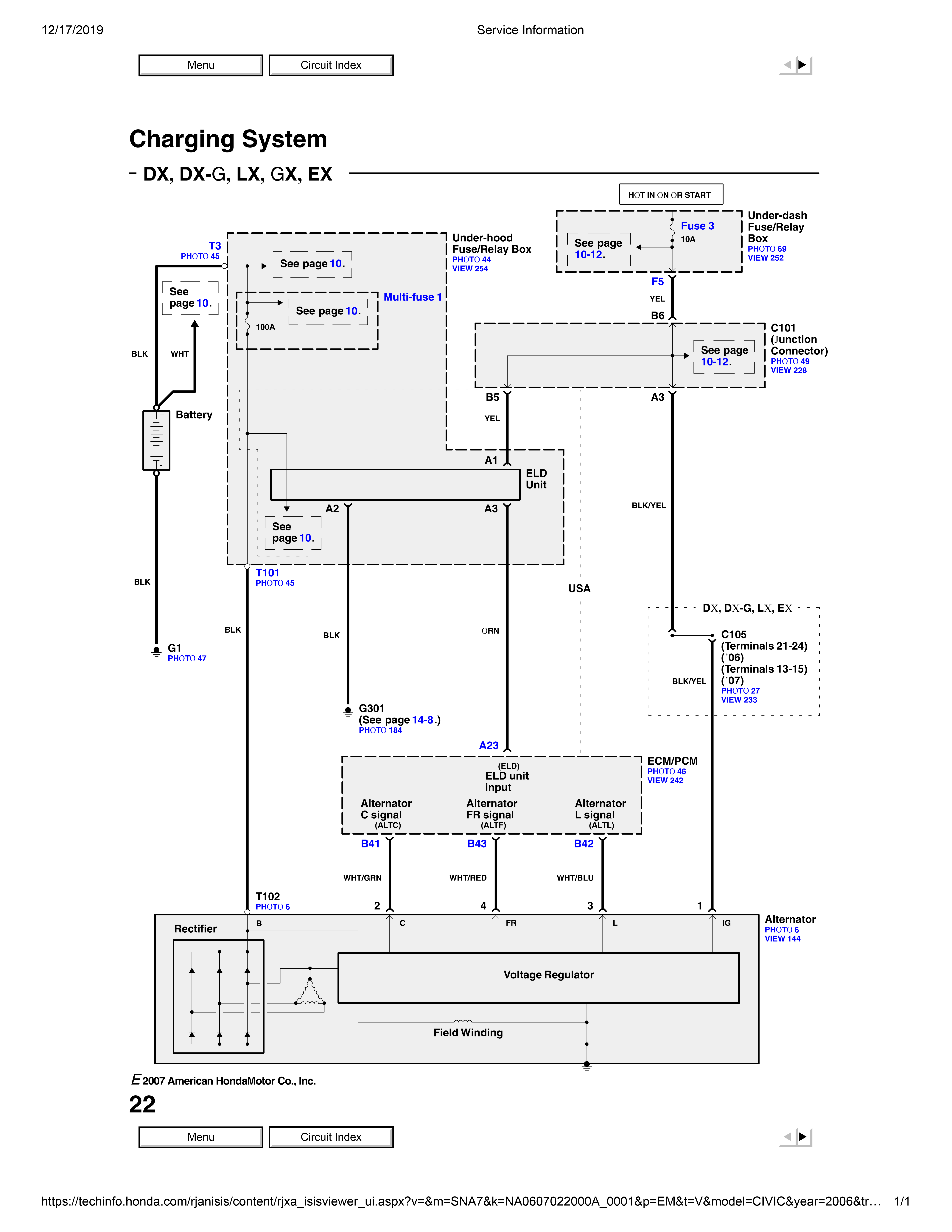
Charging (1)-1
Charging (2)-1
Charging (3)-1
Charging (4)-1
Charging (5)-1
Dash and console (1)-1
Dash and console (2)-1
Dash and console (3)-1
Dlc (1)-1
Dlc (2)-1
Dlc (3)-1
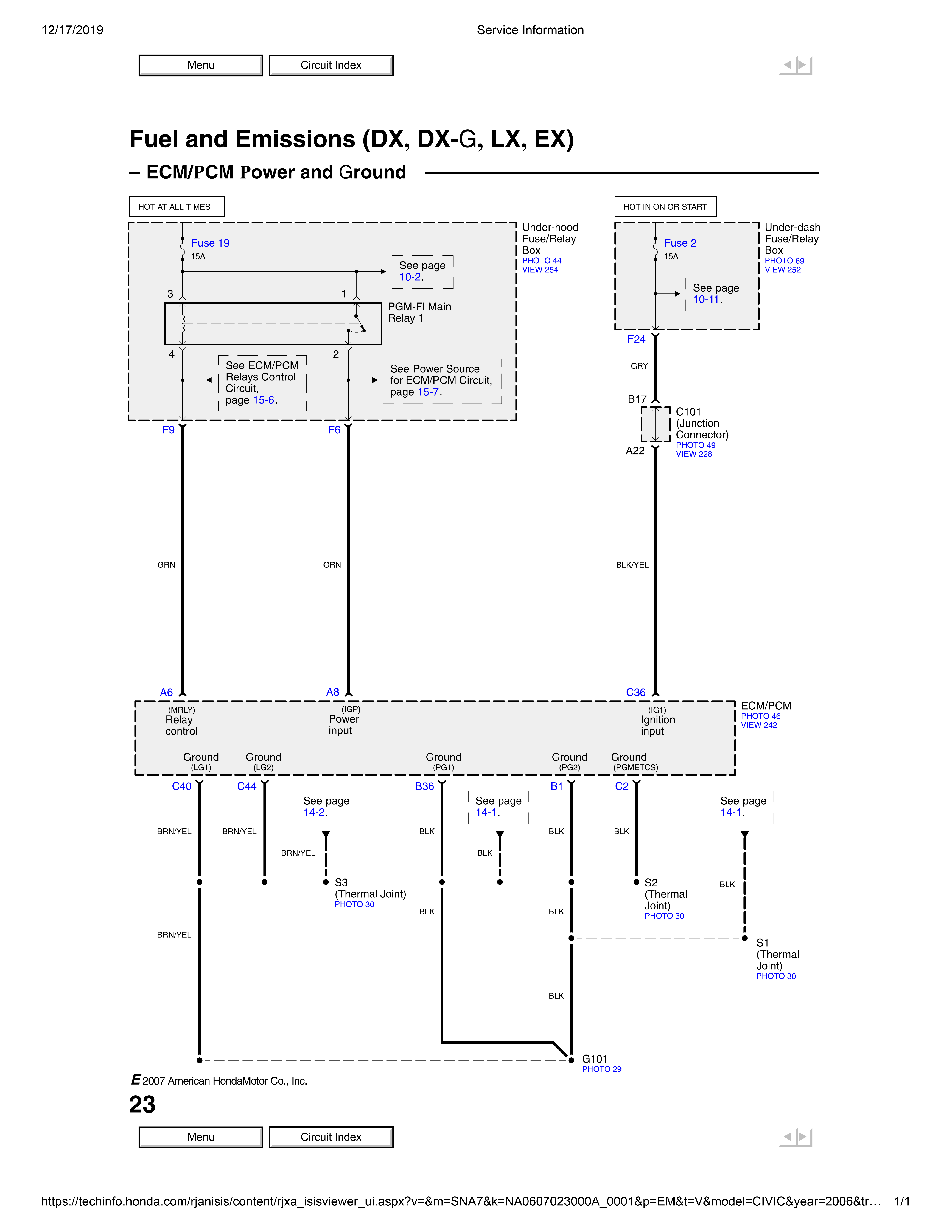
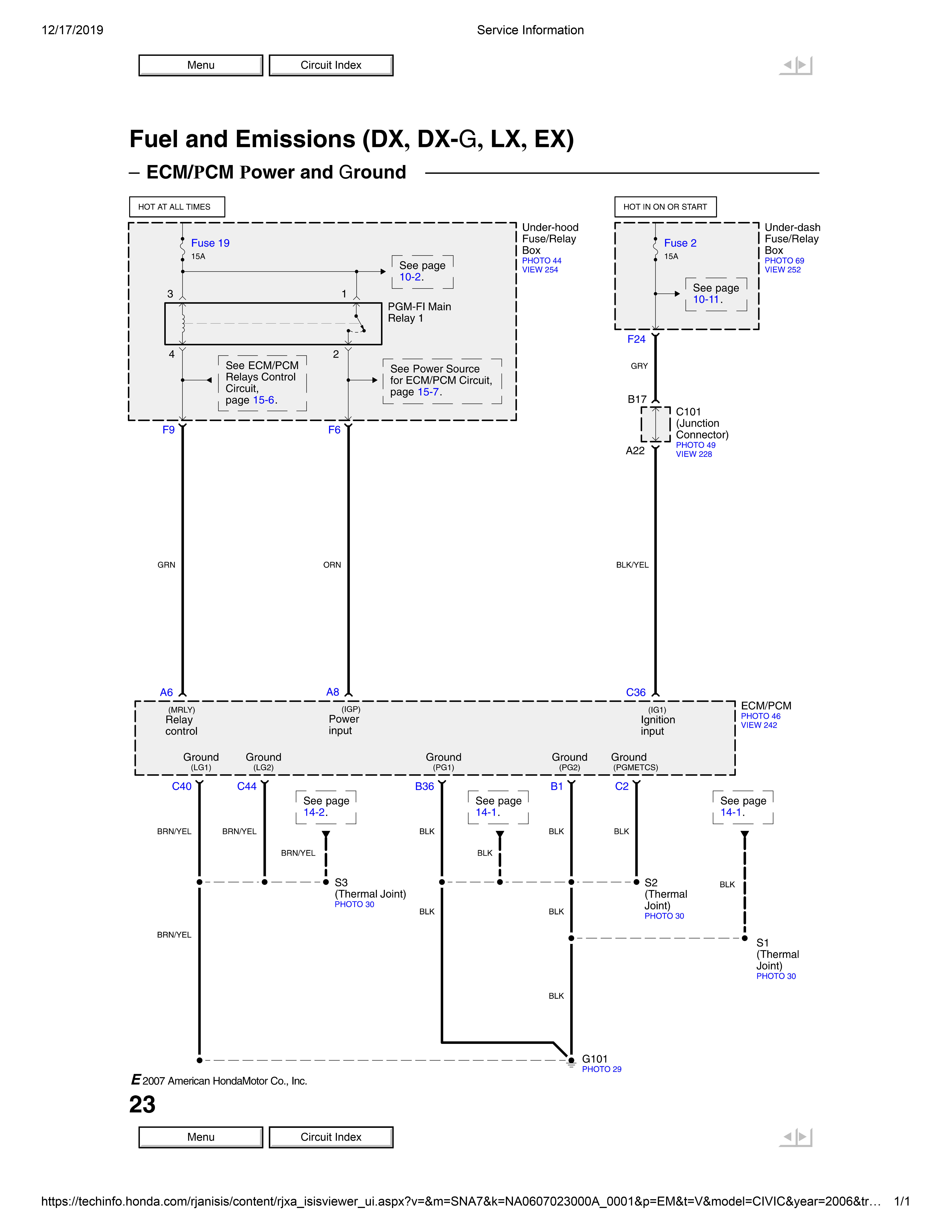
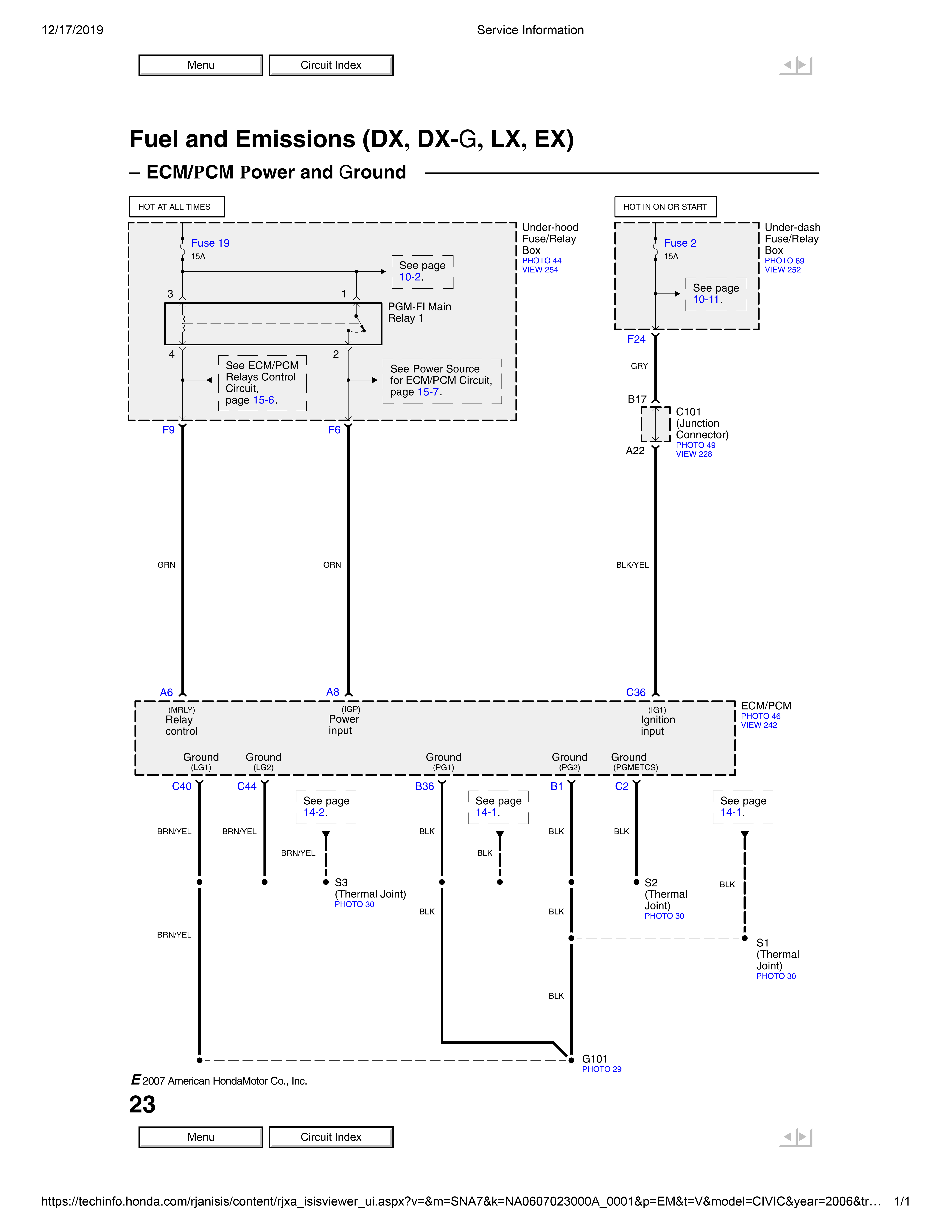
Ecm power and gnds (1)-1
Ecm power and gnds (2)-1
Ecm power and gnds (3)-1
Ecm power and gnds (4)-1
Ecm power and gnds (5)-1
Guages and indicators (1)-1
Guages and indicators (2)-1
Guages and indicators (3)-1
Guages and indicators (4)-1
Guages and indicators (5)-1
Guages and indicators (6)-1
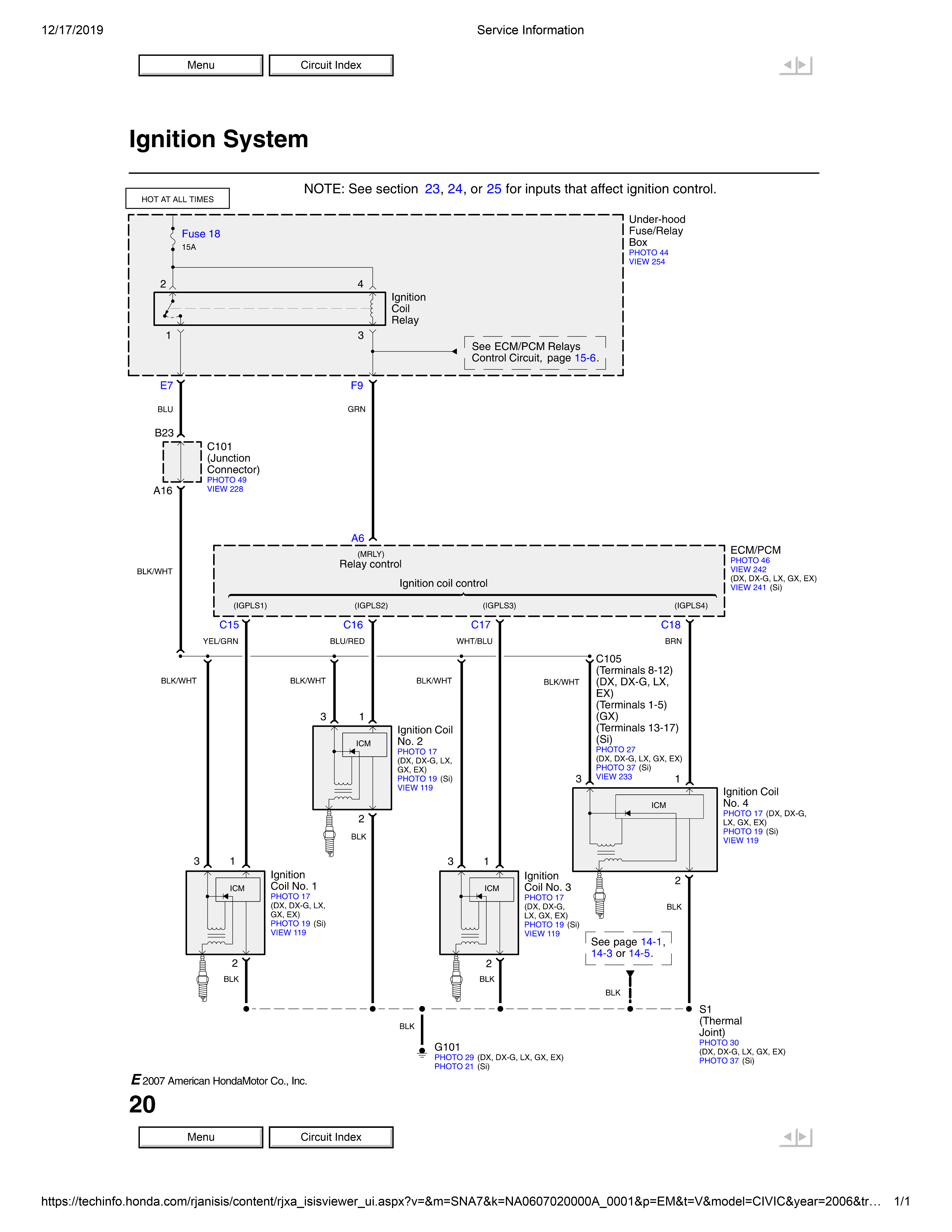
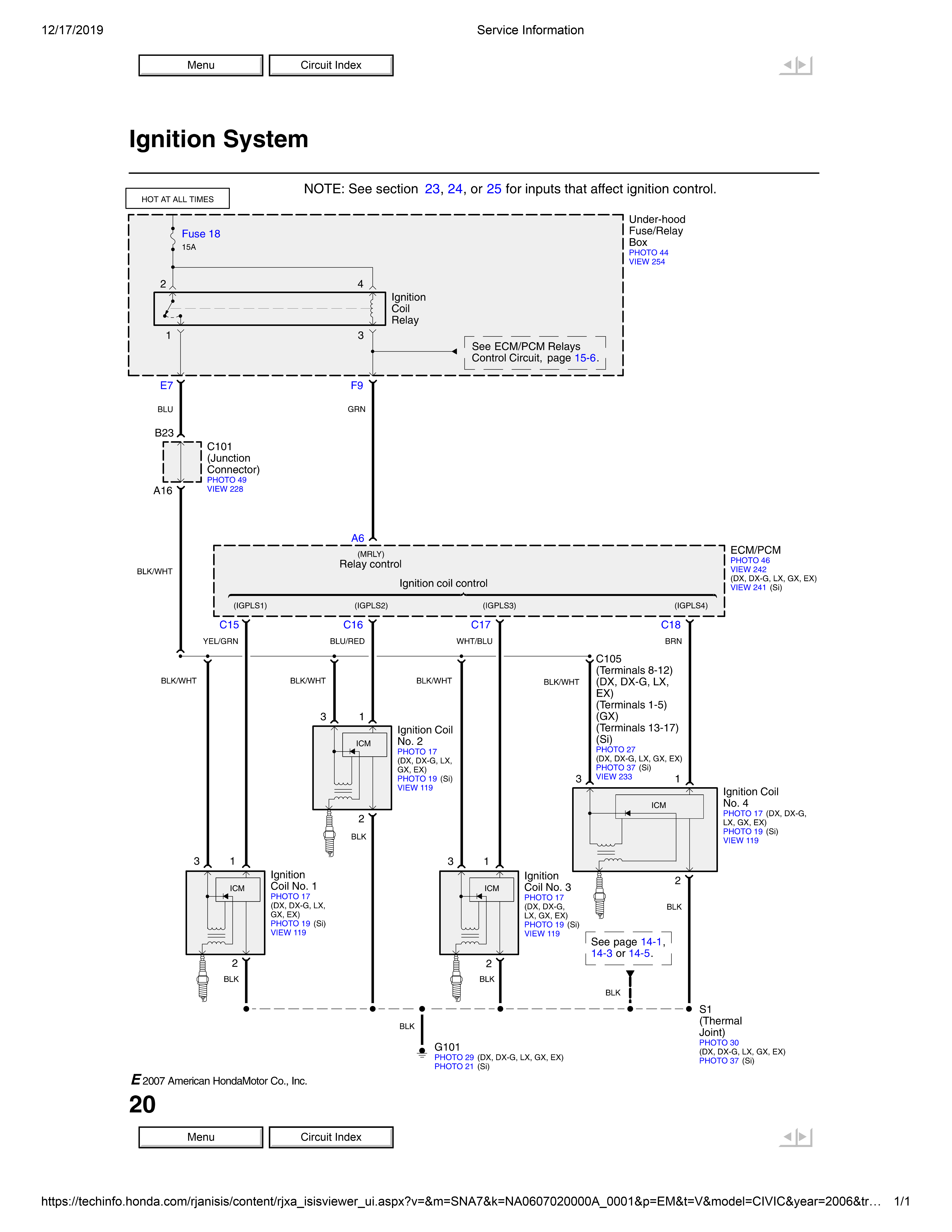
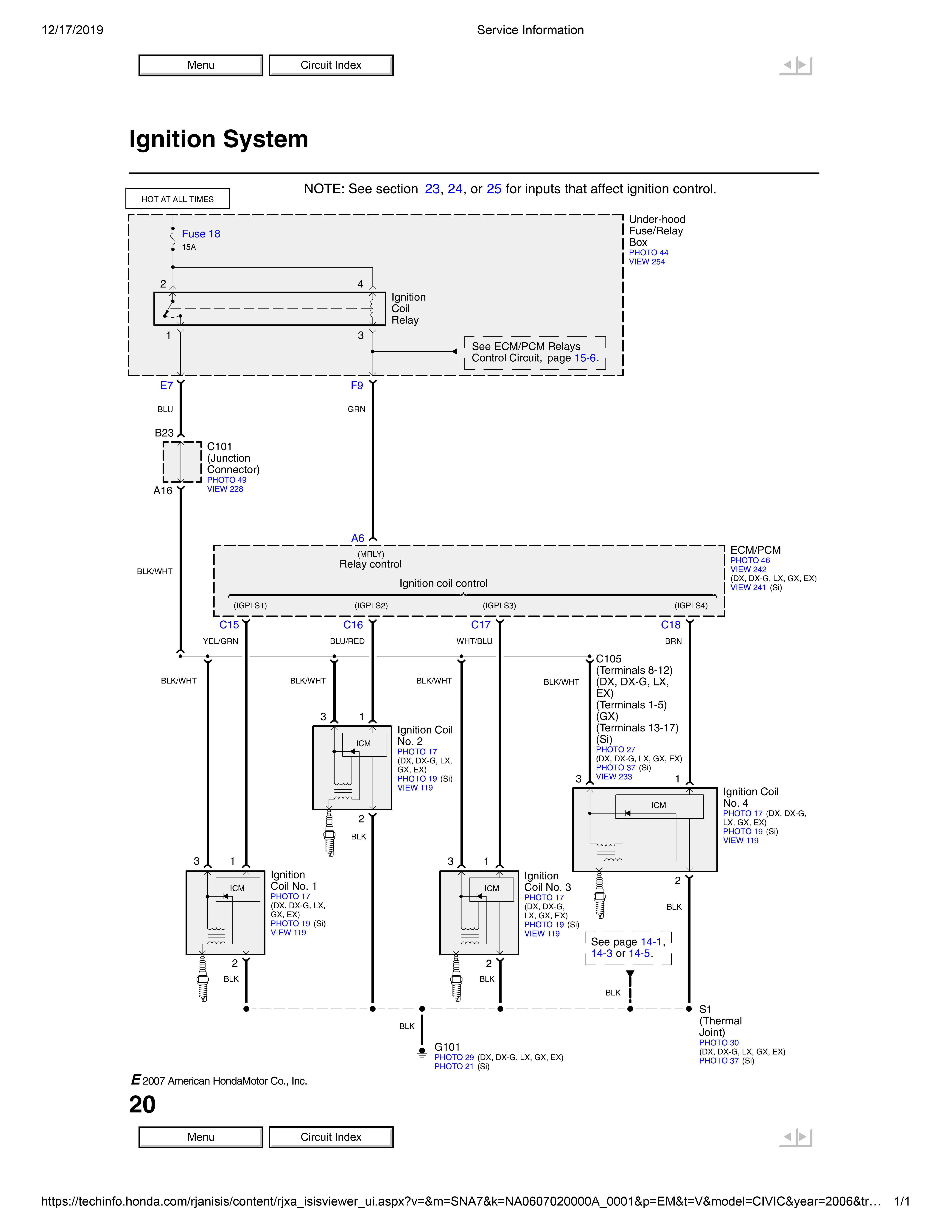
Ignition systems (1)-1
Ignition systems (2)-1
Ignition systems (3)-1
Immobilizer (1)-1
Immobilizer (2)-1
Immobilizer (3)-1
Immobilizer (4)-1
Multiplex (1)-1
Multiplex (2)-1
Multiplex (3)-1
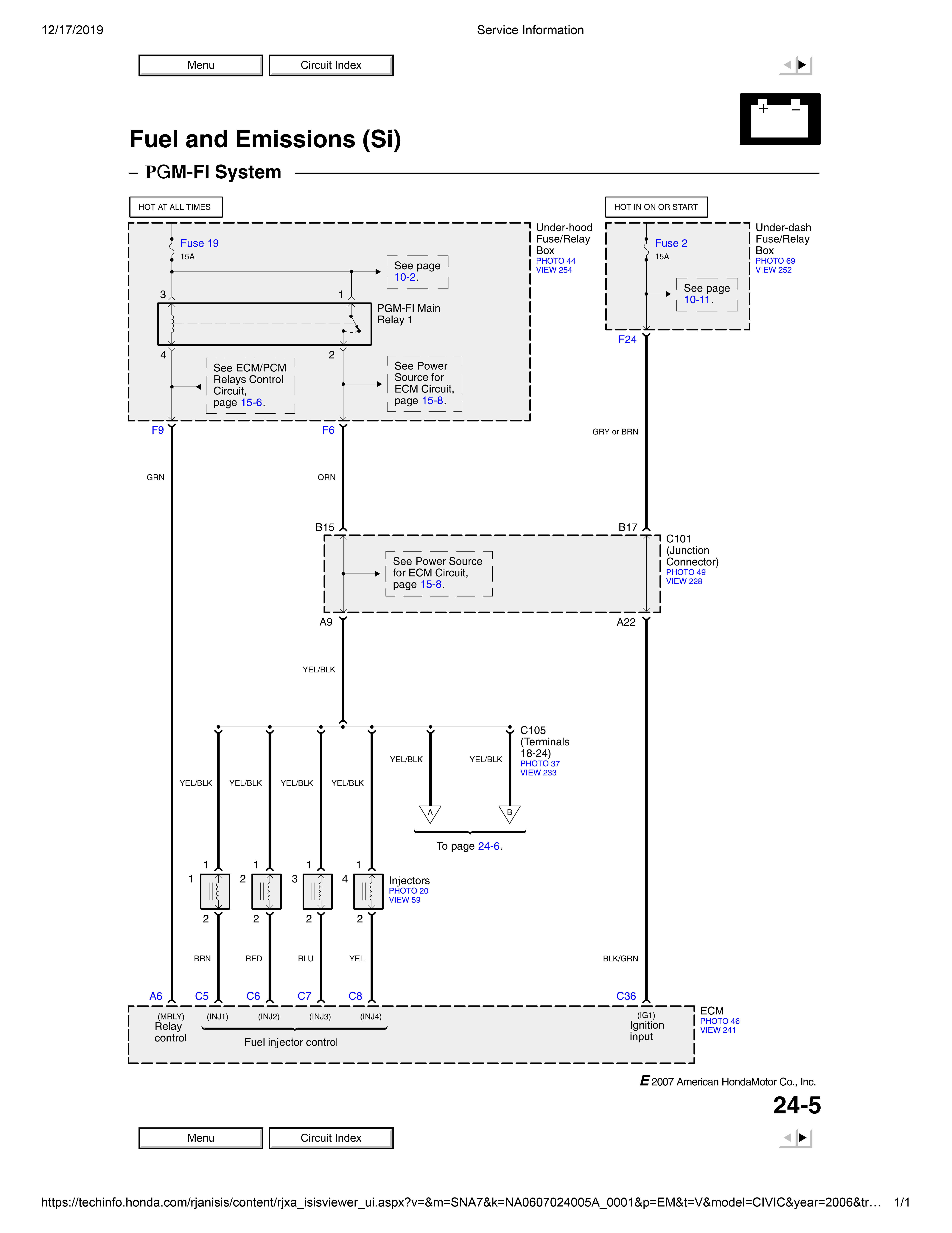
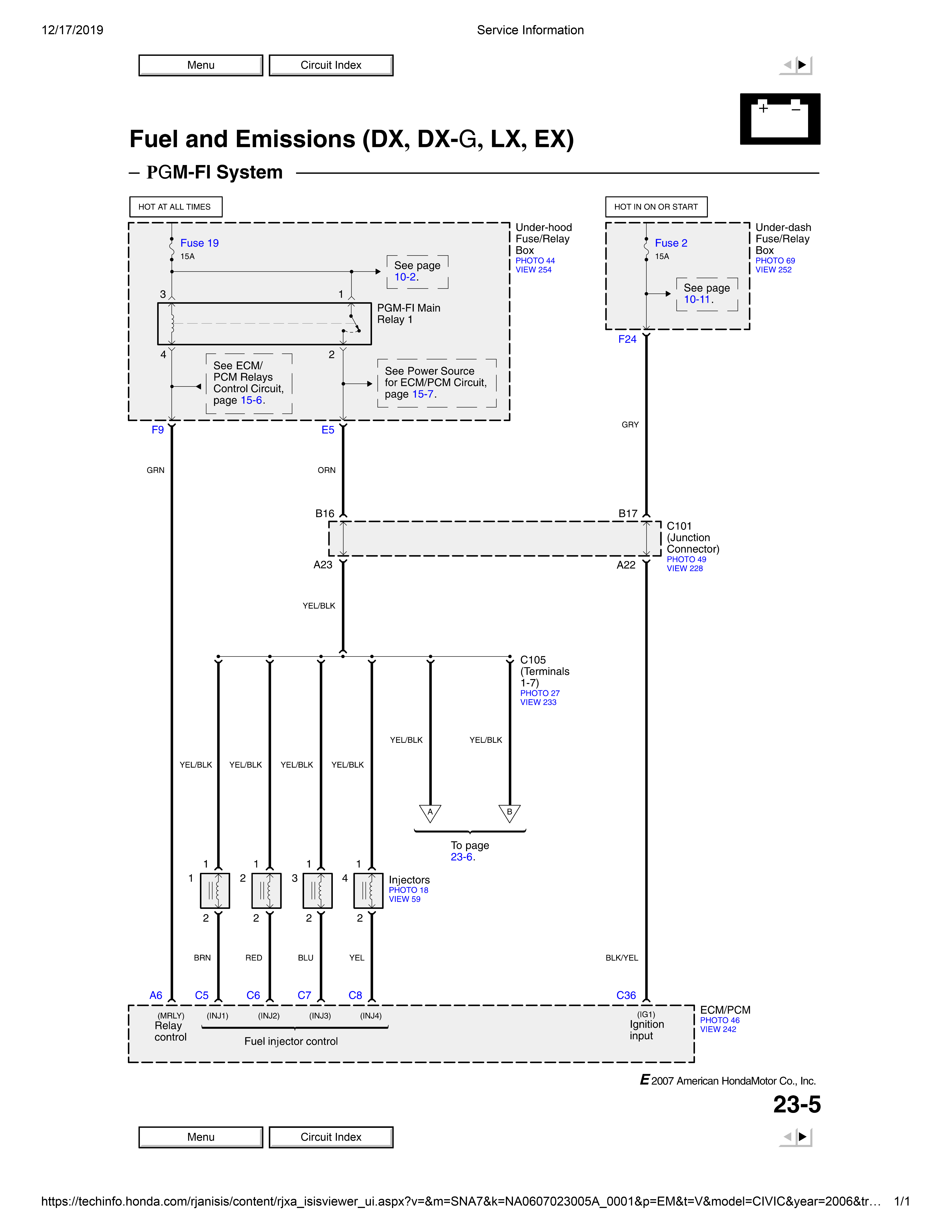
Pgm-fi (1)-1
Pgm-fi (2)-1
Pgm-fi (3)-1
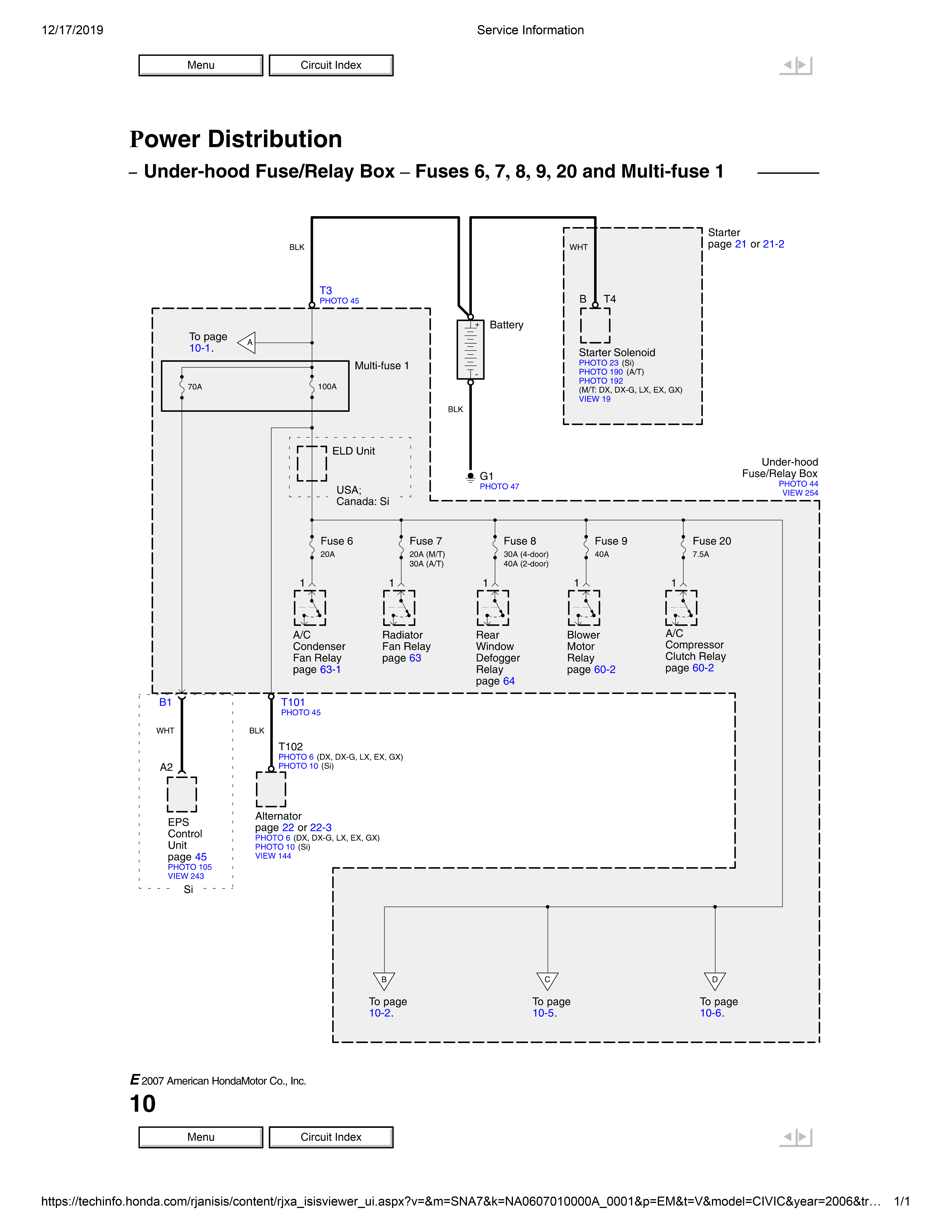
Power distribution (1)-1
Power distribution (10)-1
Power distribution (11)-1
Power distribution (12)-1
Power distribution (13)-1
Power distribution (14)-1
Power distribution (15)-1
Power distribution (16)-1
Power distribution (17)-1
Power distribution (18)-1
Power distribution (19)-1
Power distribution (2)-1
Power distribution (3)-1
Power distribution (4)-1
Power distribution (5)-1
Power distribution (6)-1
Power distribution (7)-1
Power distribution (8)-1
Power distribution (9)-1
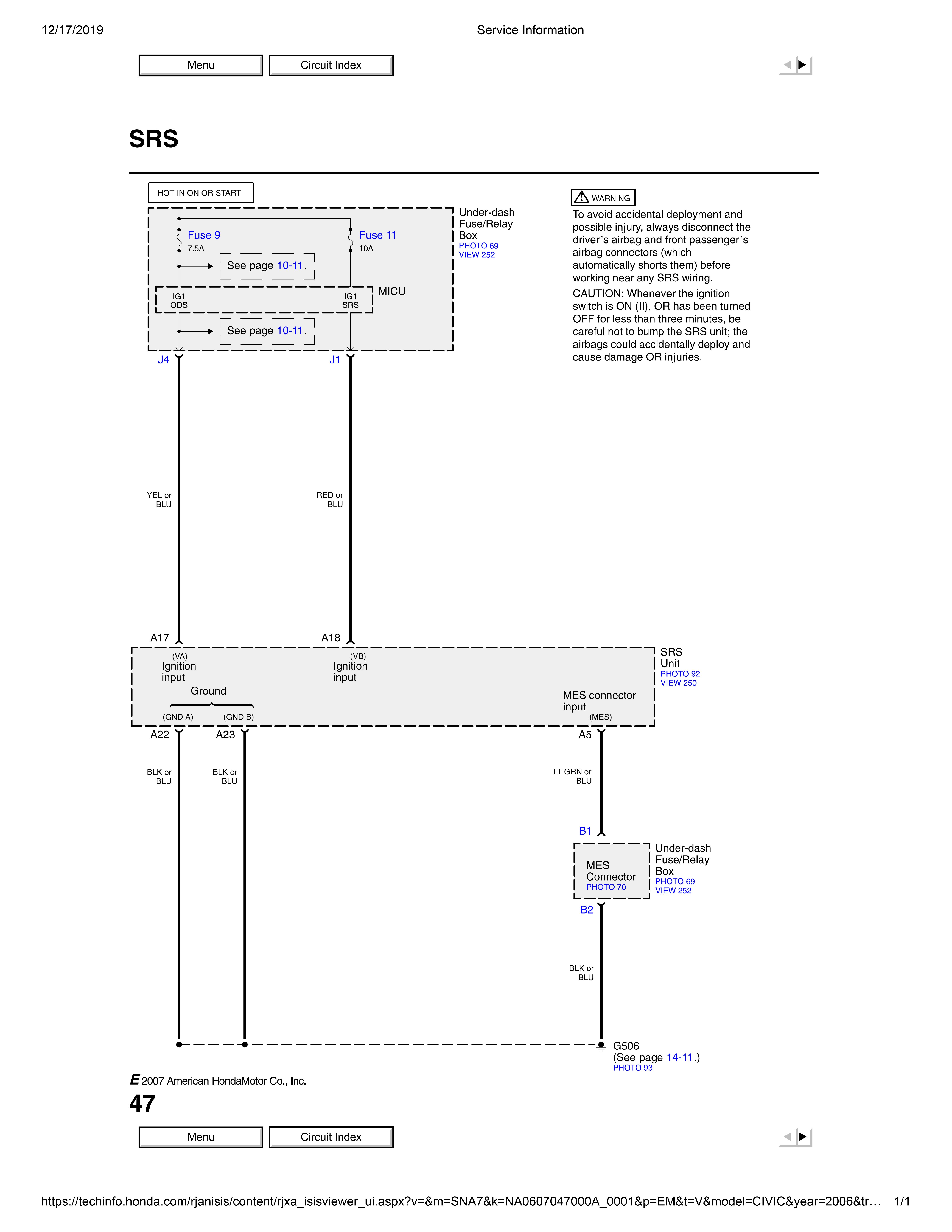
Srs (1)-1
Srs (2)-1
Srs (3)-1
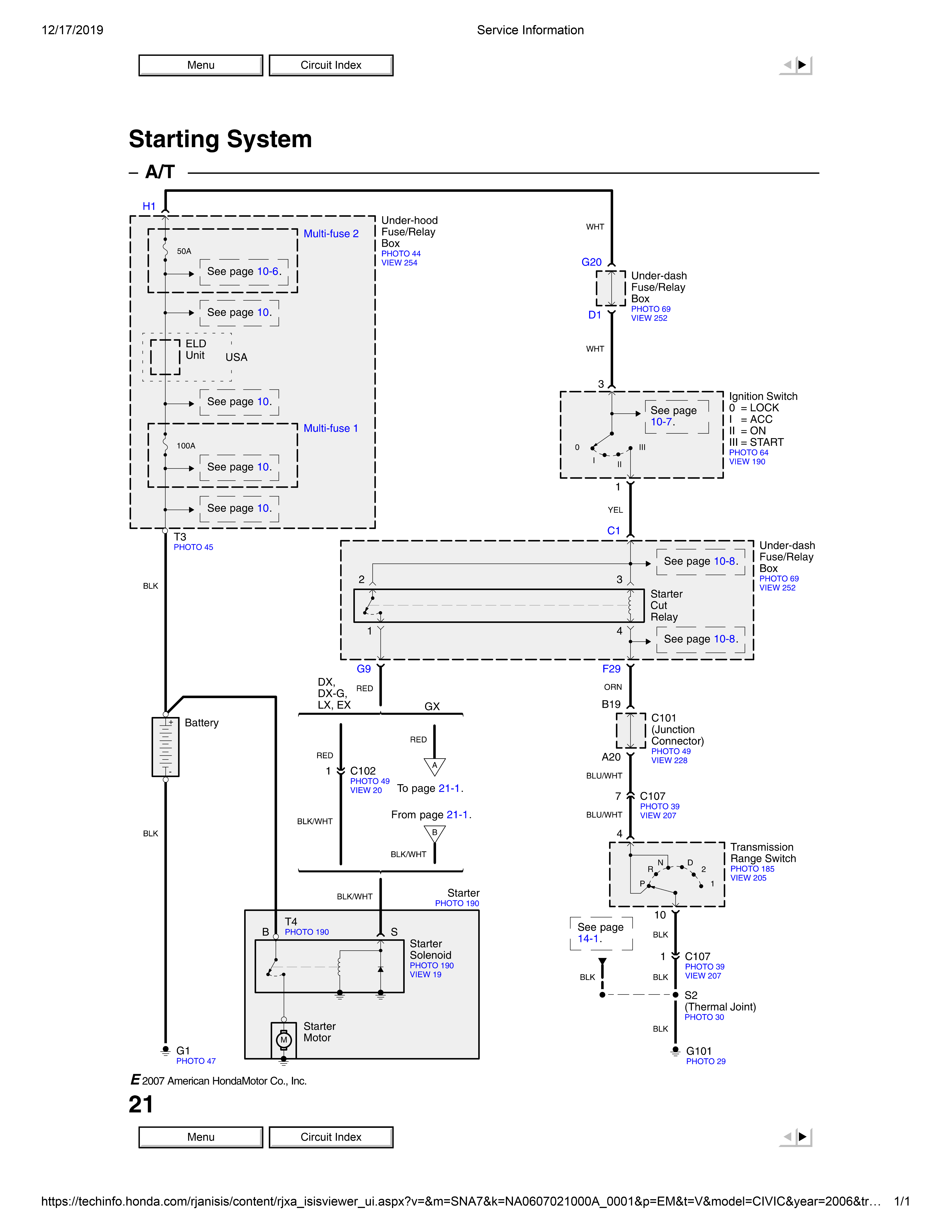
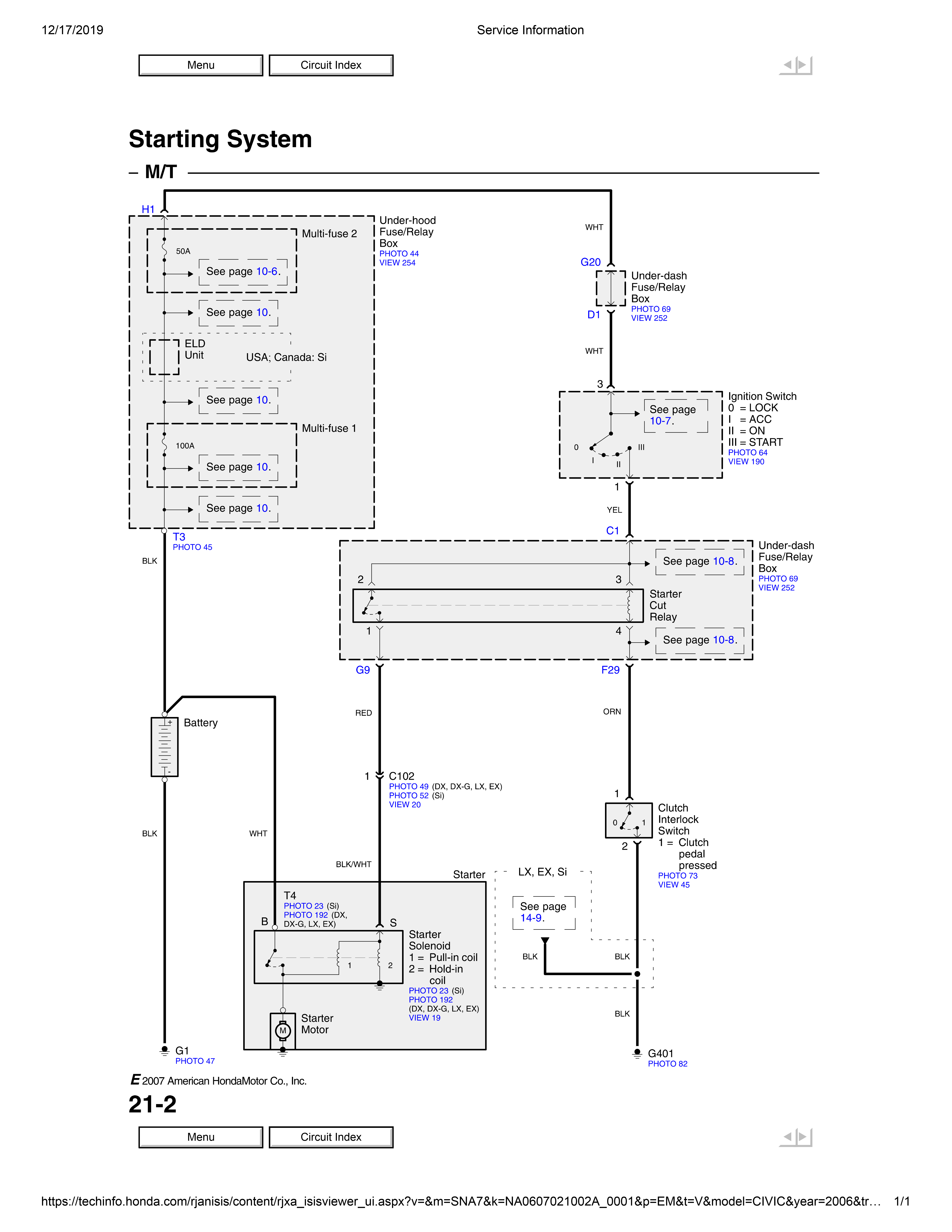
Starting (1)-1
Starting (2)-1
X-ABS-1
X-DLC-1
X-ECM-dx,dx-g,lx,gx,ex-1
X-ECM-si-1
X-Gauge Control (speedo)-1
X-Gauge Control (tacho)-1
X-IGN SW-1
X-IMMO-1
X-ODS-1
X-SRS-1
”