Auto Electronics 101
  • Home
  • FORUM
  • Shopping Cart
  • Support

Login Form

  • Forgot your password?
  • Forgot your username?
  • Create an account

Main Menu

  • Automotive Repair Help
  • Electronics Repair Help
  • Locksmith Repair Help
  • Misc. Educational Material
  • Bench, Boot & In-Circuit Pinouts
  • Benchtop Power-up Pinouts
  • BIN File Decoding
  • Circuit Schematics
  • YouTube Public Playlists
  • Wiring Diagrams
    • Acura, Honda
    • Chrysler, Dodge, Jeep
    • Ford, Lincoln, Mercury
    • General Motors
    • Infiniti, Nissan, Subaru
    • Large Trucks
    • Mazda, Mazda USA
    • Mitsubishi

Web Shop

  • Electrical Components
  • J2534 Calibration Files
  • KESS Recovery Files
  • Memory Dumps
  • VMWare (Premade VMS)
  • PC Apps & Docs
  • Tools & Supplies

  1. You are here:  
  2. Wiring Diagrams
  3. Acura, Honda
  4. Honda Accord 2002 wiring diagrams

Honda Accord 2002 wiring diagrams

Parent Category: Wiring Diagrams
Category: Acura, Honda
  • wiring
  • schematics
  • diagrams
  • honda
  • accord

Charging (1)-1
Charging (2)-1
DLC and MIL (1)-1
DLC and MIL (2)-1
ECM Power and Grounds (1)-1
ECM Power and Grounds (2)-1
Exterior Lights (1)-1
Exterior Lights (2)-1
Exterior Lights (3)-1
Exterior Lights (4)-1
Exterior Lights (5)-1
Exterior Lights (6)-1
Exterior Lights (7)-1
Exterior Lights (8)-1
Exterior Lights (9)-1
Fans (1)-1
Fans (2)-1
Fog Lights-1
Fuel Supply (1)-1
Fuel Supply (2)-1
Guages and Indicators (1)-1
Guages and Indicators (2)-1
Guages and Indicators (3)-1
Horn-1
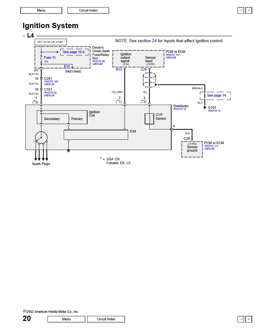
Ignition (1)-1
Ignition (2)-1
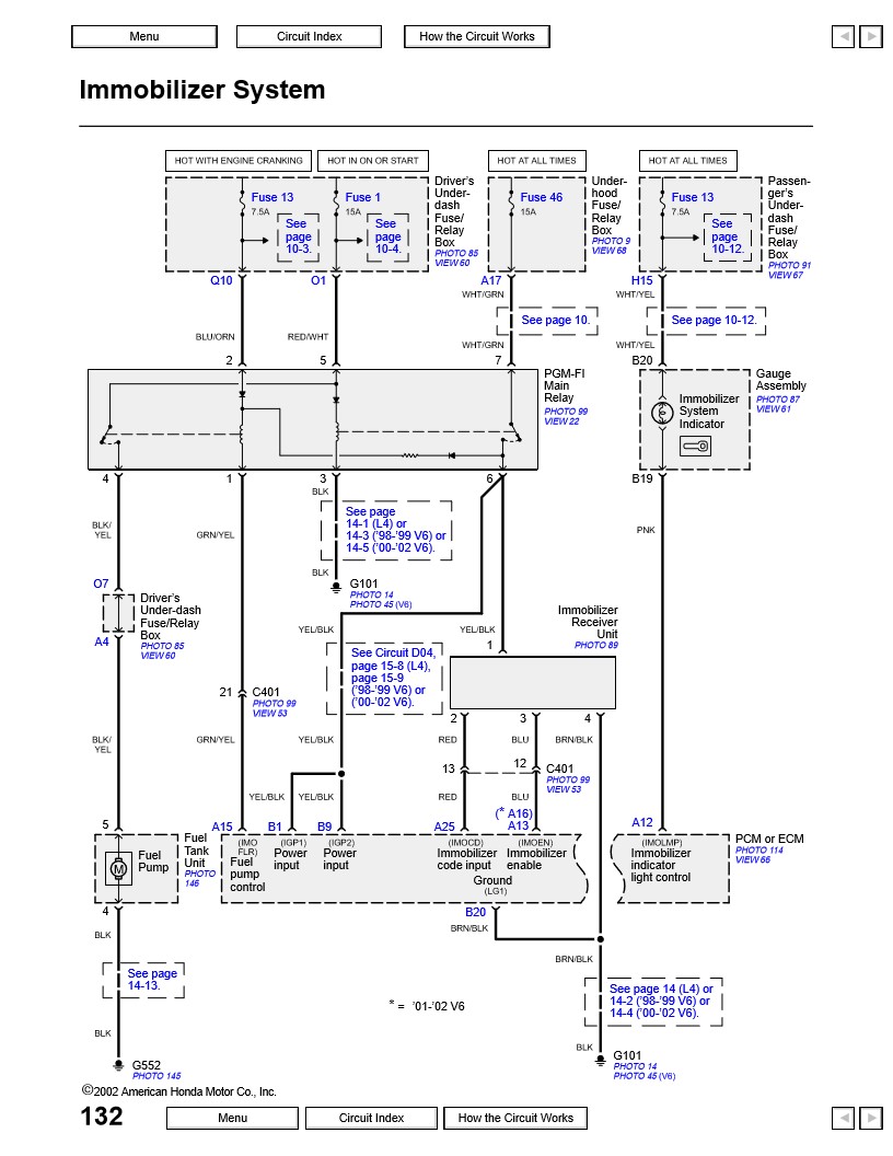
Immobilizer-1
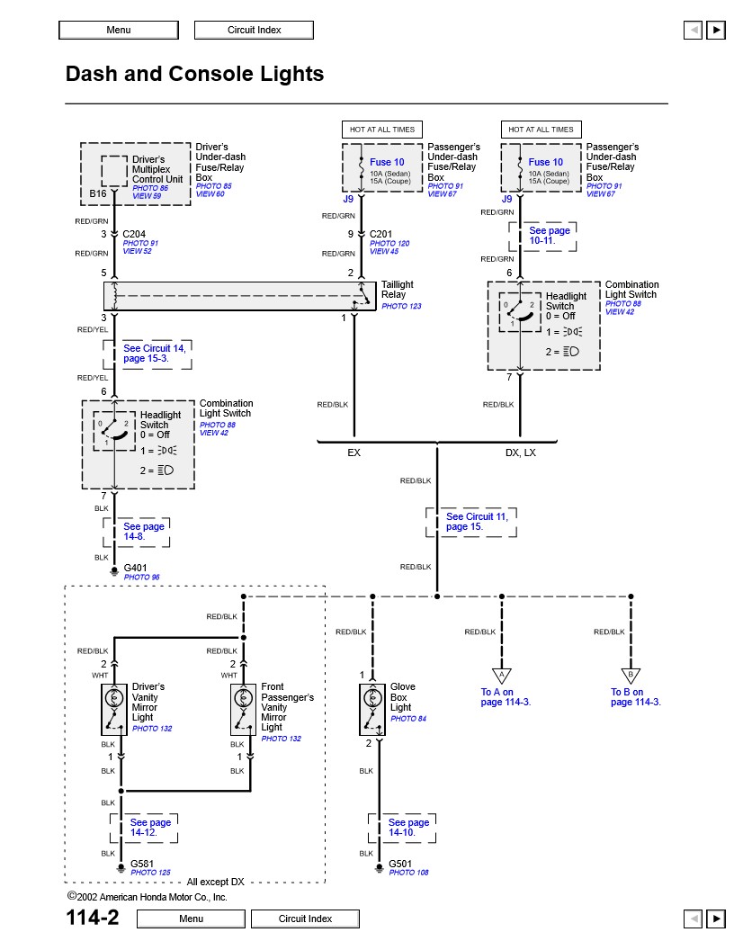
Interior Lights (1)-1
Interior Lights (2)-1
Interior Lights (3)-1
Multiplex-1
PGM-FI (1)-1
PGM-FI (2)-1
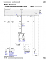
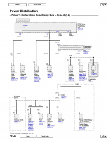
Power Distribution (1)-1
Power Distribution (10)-1
Power Distribution (11)-1
Power Distribution (12)-1
Power Distribution (13)-1
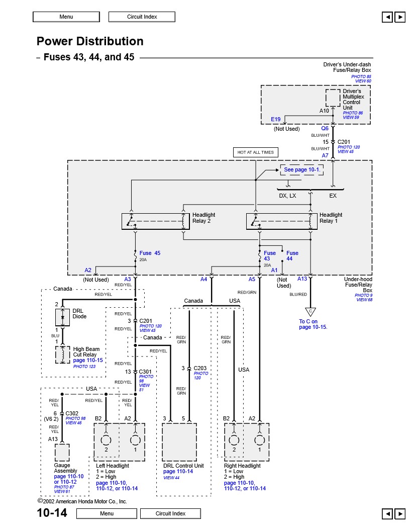
Power Distribution (14)-1
Power Distribution (15)-1
Power Distribution (2)-1
Power Distribution (3)-1
Power Distribution (4)-1
Power Distribution (5)-1
Power Distribution (6)-1
Power Distribution (7)-1
Power Distribution (8)-1
Power Distribution (9)-1
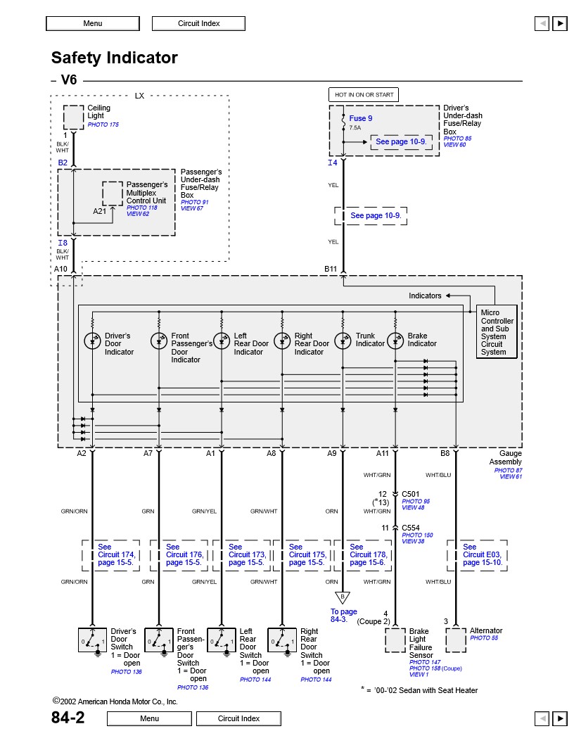
SRS (1)-1
SRS (2)-1
SRS (3)-1
Shift Interlock-1
Starting (1)-1
Starting (2)-1
”